Редуктор 1Ц2У-500-25
Редуктор 1Ц2У-500-25
Горизонтальний редуктор типу 1Ц2У-500-25 відноситься до універсальних механізмів із циліндричним типом передачі. Його завдання полягає у зміні крутного моменту та частоти обертання валу в приводах.
Такі приводи не варто встановлювати у запилених приміщеннях. Вали перетворювача обертаються в різні боки, без особливої переваги, що дозволяє пристрою працювати з реверсивним навантаженням. Дані агрегати дуже надійні та практично незамінні помічники на виробництві.
Співпрацюючи з компанією «Промпривод» ви отримуєте низку переваг:
- Товар найвищої якості, що підтверджується гарантією на 12 місяців.
- Ціна від виробника.
- Обслуговування європейського рівня.
- 100% виконання всіх умов договору.
- Доставка можлива по всіх регіонах України.
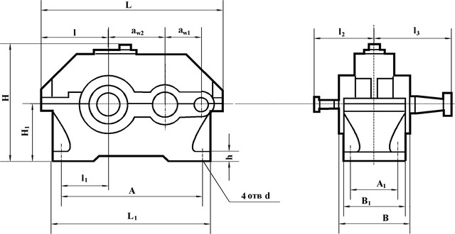
Схема габаритних і приєднувальних розмірів редуктора 1Ц2У-500

| Типорозмір | A wт | A wб | B | B1 | B2 | H | H1 | h | L | L1 | L2 | L3 | L4 | L5 | d |
| 1Ц2У-500-25 | 500 | 315 | 700 | 580 | 650 | 1055 | 530 | 60 | 165 | 615 | 360 | 565 | 530 | 690 | 42 |
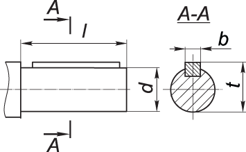
Приєднувальні розміри конічних валів редуктора 1Ц2У-500
| Типорозмір | швидкохідний вал | тихохідний вал | ||||||
| d | l | b | t | d | l | b | t | |
| 1Ц2У-500-25 | 90m6 | 170 | 25 | 95 | 180m6 | 300 | 45 | 190 |
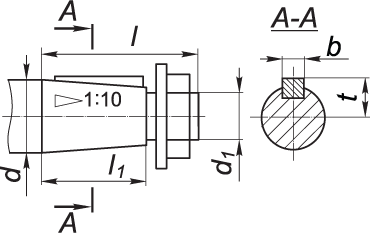
Приєднувальні розміри циліндричних валів редуктора 1Ц2У-500

| Типорозмір | b | d | d1 | d2 | d3 | L | l | l1 | Зачеплення | |
| m | z | |||||||||
| 1Ц2У-500-25 | 50 | 420 | 200 | 160F8 | 230 | 470 | 15 | 70 | 10 | 40 |
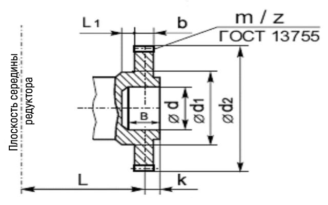
Приєднувальні розміри у вигляді зубчастої напівмуфти редуктора 1Ц2У-500

| Типорозмір | b | d | d1 | d2 | d3 | L |
| 1Ц2У-500-25 | 5 | 190h9 | 75h9 | 55 | М8х20 | 360 |
Технічні характеристики редуктора 1Ц2У-500
| Найменування технічних характеристик | Од. вим. | Типорозмір | |
| 1Ц2У-500 | |||
| Передавальні числа | 25 | ||
| Допустиме радіальне консольне навантаження | на швидкохідному валу | Н | 10000 |
| на т/х циліндричному валу | 100000 | ||
| на т/х валу у вигляді зубчастої муфти | 100000 | ||
| Номінальний момент, що крутить, на вихідному валу | Н.м. | 56000 | |
| ККД | % | 0,97 | |
| Маса | кг | 2090 | |
Варіанти складання редукторів 1Ц2У
Схема умовних позначень 1Ц2У
Редуктор 1Ц2У-500-25
Відгуків про цей товар ще не було.
Немає відгуків про цей товар, станьте першим, залиште свій відгук.
Немає питань про даний товар, станьте першим і задайте своє питання.


