Редуктор 1Ц3Н-450
Редуктор 1Ц3Н-450
Горизонтальний редуктор 1Ц3Н-450 з циліндричним типом передавання є пристроєм для зміни частот обертання й крутних моментів між паралельно розташованими валами.
1Ц3Н-400 застосовується в складі механізмів загальнопромислових машин. Він простий у використанні, має велику зносостійкість і високий ККД (приближений до 100%). Обертання валів може відбуватися в будь-якому потрібному напрямку. Працювати редуктор може як безперервно, так і з паузами. Але обертання вала на вході пристрою не має бути більш ніж 1800 об./хв, а запиленість довкілля — не перевищувати 10 мг/куб.м.
Заявляючи товар у нас, Ви отримуєте низку переваг, як-от:
• висока якість редуктора,
• паспорт до пристрою,
• гарантію на 36 місяців,
• доставляння будь-яким зручним для Вас способом по всій Україні.

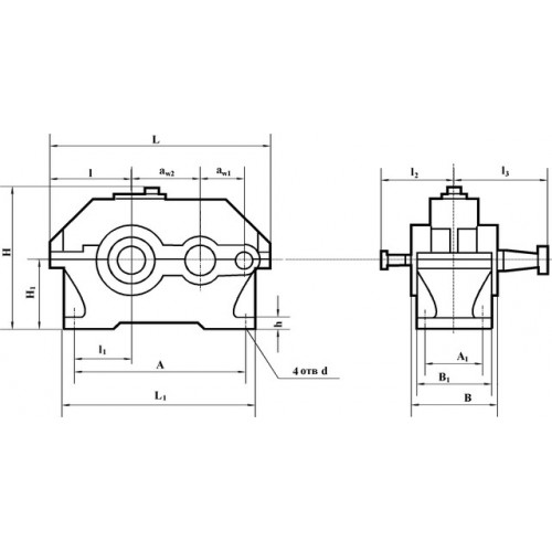
Розміри редуктора 1Ц3Н-450
| Передавальне відношення | 31,5; 40; 50; 63; 80; 100; 125; 160; 200 | |
| Навантаження на вал, | на швидкий вал | 4000 |
| на тихохідний вал | 71000 | |
| на т/х вал із зубчастою муфтою | 95000 | |
| Момент крутіння на тихохідному валу, Н.м | 40000 | |
| ККД | 0,96 | |
| Маса, кг | 1700 | |
Розміри редуктора із зубчастим передаванням і трьома ступенями
| Aw т | Aw н | Aw б | B | B 1 | B 2 | H | H 1 | h | L | L 1 | L 2 | L 3 | L 4 | L 5 | d |
| 450 | 280 | 200 | 630 | 515 | 590 | 955 | 475 | 50 | 1580 | 570 | 310 | 500 | 430 | 650 | 35 |

Габарити валів, які виробляються в циліндричній формі
| Вал швидкохідний | Вал тихохідний | ||||||
| d | l | b | t | d | l | b | t |
| 50k6 | 110 | 14 | 53,5 | 160m6 | 300 | 40 | 169 |
Розміри вихідного вала, який зроблений як напівмуфти
| b | d | d 1 | d 2 | d 3 | L | l | l 1 | Зачеплення | |
| m | z | ||||||||
| 50 | 420 | 200 | 160F8 | 230 | 440 | 15 | 70 | 10 | 40 |
Розміри для приєднання до тихохідного валу приладів керування
| b | d | d 1 | d 2 | d 3 | L |
| 5 | 180h9 | 75h9 | 55 | М8х20 | 340 |
Варіанти складання редуктора

Редуктор 1Ц3Н-450
Відгуків про цей товар ще не було.
Немає відгуків про цей товар, станьте першим, залиште свій відгук.
Немає питань про даний товар, станьте першим і задайте своє питання.