Редуктор 1Ц3У-250
Редуктор 1Ц3У-250
Триступінчастим циліндричним редуктором 1Ц3У-250 називається пристрій для зміни моменту, що крутить, а також частоти обертання.
Редуктор 1Ц3У-250 - це горизонтальний механізм з косозубим зачепленням і рядом умов його застосування, таких як:
- навантаження на нього може відбуватися постійно або поперемінно,
- робота може проводитися в постійному режимі або зупинками,
- обертання його валів може відбуватися у будь-якому напрямку,
- експлуатація повинна проходити в умовах, де запиленість повітря не перевищує 10 мг/куб.
- робота у різних кліматичних умовах згідно з ГОСТ15150.
Механізм пристрою розташований у чавунному корпусі, де у верхній частині знаходиться отвір для заливки в механізм мастильних матеріалів.
Дану модель редуктора можна придбати у нас на сайті компанії «Промпривод» за найнижчою ціною і з гарантією якості. Кожен товар проходить перевірку. При замовленні Ви отримуєте паспорт до пристрою та гарантію на 12 місяців. Доставка здійснюється в будь-яку точку України в найкоротші терміни. Для постійних клієнтів та оптових покупців діє гнучка система знижок.
Схема та розміри редуктора 1Ц3У-250

| Передавальне відношення | 16; 20; 25; 31.5; 40; 45; 50; 56; 63; 80; 100; 125; 160; 200 | |
| Навантаження на вал, Н | на швидкохідний вал | 2240 |
| на тихохідний вал | 18000 | |
| Мкр на тихохідному валу, Н.м | 5000 | |
| ККД | 0,96 | |
| Вага кг | 335 | |
Розміри редуктора із зубчастою передачею та трьома ступенями
| Aw т | Aw п | Aw б | A | A 1 | B | B 1 | H | H 1 | h | L | L 1 | L 2 | L 3 | L 4 | L 5 | d |
| 250 | 160 | 125 | 750 | 218 | 290 | 280 | 530 | 265 | 36 | 950 | 825 | 212 | 290 | 236 | 335 | 28 |

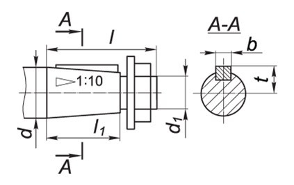
Розміри валів редуктора, що виготовляються у вигляді конуса
| Вал на вході | Вал на виході | ||||||||||
| d | d 1 | l | l 1 | b | t | d | d 1 | l | l 1 | b | t |
| 30 | М20х1,5 | 80 | 58 | 5 | 15,55 | 90 | М64х4,0 | 170 | 130 | 22 | 46,75 |

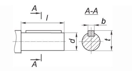
Розміри валів редуктора, що виробляються у вигляді циліндра
| Вал на вході | Вал на виході | ||||||
| d | l | b | t | d | l | b | t |
| 25k6 | 58 | 8 | 28 | 85m6 | 170 | 22 | 90 |

Габарити вихідного валу циліндричного редуктора, який виконаний у вигляді напівмуфти:
| b | d | d 1 | d 2 | d 3 | L | l | l 1 | Зачеплення | |
| m | z | ||||||||
| 30 | 232 | 150 | 120F8 | 170 | 236 | 10 | 50 | 4 | 56 |
Варіанти складання редуктора

Умовне позначення редуктора 1Ц3У-250

Редуктор 1Ц3У-250
Відгуків про цей товар ще не було.
Немає відгуків про цей товар, станьте першим, залиште свій відгук.
Немає питань про даний товар, станьте першим і задайте своє питання.