Редуктор 1Ц3У-315
Редуктор 1Ц3У-315
Горизонтальний триступінчастий редуктор 1Ц3У-315 має великий спектр застосування. Компактний розмір дозволяє використовувати його у приводах різних механізмів. Відмінною рисою є простота у застосуванні, довговічність та великий рівень ККД (практично 100%).
1Ц3У-315 має циліндричний тип передачі з паралельним розташуванням осей. Максимальне обертання валу на вході не повинно перевищувати 1800 об/хв. Номінальний момент, що крутить, цього пристрою становить 10000 Нм, а його маса 580 кг.
Дану модель редуктора можна придбати у нас на сайті компанії «Промпривод» за найнижчою ціною і з гарантією якості. Кожен товар проходить перевірку. При замовленні Ви отримуєте паспорт до пристрою та гарантію на 12 місяців. Доставка здійснюється в будь-яку точку України в найкоротші терміни. Для постійних клієнтів та оптових покупців діє гнучка система знижок.
Схема та розміри редуктора 1Ц3У-315

| Передавальне відношення | 31.5; 40; 50; 63; 80; 100; 125; 160; 200 | |
| Навантаження на вал, Н | на швидкохідний вал | 1120 |
| на тихохідний вал | 31500 | |
| на т/х вал із зубчастою муфтою | 40000 | |
| Мкр на тихохідному валу, Н.м | 10000 | |
| ККД | 0,97 | |
| Маса, кг | 580 | |
Розміри редуктора 1Ц3У-315 із зубчастою передачею та трьома ступенями
| Aw т | Aw н | Aw б | B | B 1 | B 2 | H | H 1 | h | L | L 1 | L 2 | L 3 | L 4 | L 5 | d |
| 315 | 200 | 125 | 395 | 260 | 318 | 685 | 335 | 35 | 1135 | 415 | 215 | 360 | 270 | 420 | 28 |

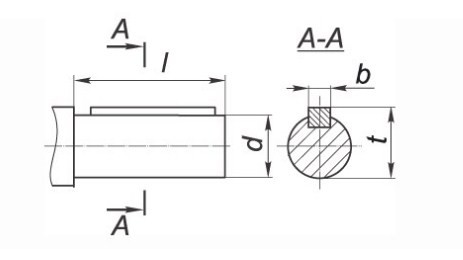
Габарити валів циліндричного триступінчастого горизонтального редуктора 1Ц3У-315, які виробляються у вигляді циліндра
| Вал на вході | Вал на виході | ||||||
| d | l | b | t | d | l | b | t |
| 30k6 | 80 | 8 | 33 | 110m6 | 210 | 28 | 116 |
Розміри вихідного валу циліндричного редуктора 1Ц3У-315, який виконаний у вигляді напівмуфти
| b | d | d 1 | d 2 | d 3 | L | l | l 1 | Зачеплення | |
| m | z | ||||||||
| 30 | 252 | 130 | 110F8 | 140 | 275 | 10 | 60 | 6 | 40 |

Розміри для приєднання до тихохідного валу приладів керування
| b | d | d 1 | d 2 | d 3 | L |
| 5 | 110h9 | 75h9 | 55 | М8х20 | 200 |
Варіанти складання редуктора

Умовне позначення редуктора 1Ц2У-315

Редуктор 1Ц3У-315
Відгуків про цей товар ще не було.
Немає відгуків про цей товар, станьте першим, залиште свій відгук.
Немає питань про даний товар, станьте першим і задайте своє питання.