Редуктор 1Ц3У-400
Редуктор 1Ц3У-400
Горизонтальний циліндричний редуктор 1Ц3У-400 — це пристрій для зміни крутного моменту, а також частоти обертів. Має дуже високі показники ККД, простий у використанні та довговічний.
Застосовується редуктор у приводах різних механізмів, для передавання обертального руху між валами, змінюючи їхню швидкість і крутний момент.
1Ц3У-400 має низку умов для його застосування:
• він може працювати як із зупинками, так і без них,
• навантаження на нього може бути постійним і змінним,
• його вали можуть обертати в будь-якому напрямку,
• швидкість на вхідний вал не має бути більш ніж 1800 об./хв,
• запиленість повітря під час його експлуатації не має бути більш ніж 10 мг/м. куб,
• може працювати в різних кліматух, відповідно до ГОСТ 15150.
Корпус 1Ц3У-400 виготовляється з чавуну та має отвір для заливання мастильних матеріалів. Отвір розміщений у верхній частині корпусу.
Цю модель редуктора можна придбати в нас за найнижчою ціною та з гарантією якості. Кожен товар проходить перевірку. Під час замовлення Ви отримуєте паспорт до пристрою і гарантію на 36 місяців. Доставка здійснюється в будь-яку точку України в найкоротші терміни.

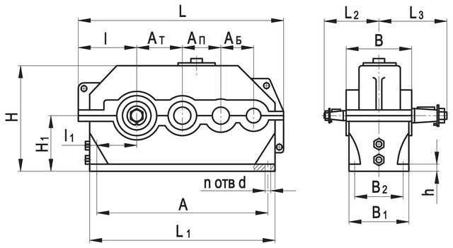
Розміри редуктора 1Ц3У-400
| Передавальне відношення | 31,5; 40; 50; 63; 80; 100; 125; 160; 200 | |
| Навантаження на вал, Н | на швидкий вал | 2000 |
| на тихохідний вал | 45000 | |
| на т/х вал із зубчастою муфтою | 56000 | |
| Мкр на тихенькохідному валу, Н.м | 20000 | |
| ККД | 0,97 | |
| Маса, кг | 960 | |
Розміри редуктора 1Ц3У-400 із зубчастим передаванням і трьома ступенями
| Aw т | Aw н | Aw б | B | B 1 | B 2 | H | H 1 | h | L | L 1 | L 2 | L 3 | L 4 | L 5 | d |
| 400 | 250 | 160 | 475 | 330 | 420 | 835 | 425 | 42 | 1415 | 535 | 280 | 450 | 340 | 500 | 35 |

Габарити валів циліндричного триступеневого горизонтального редуктора 1Ц3У-400, які виробляються у формі циліндра
| Вал на вході | Вал на виході | ||||||
| d | l | b | t | d | l | b | t |
| 40k6 | 110 | 12 | 43 | 140m6 | 250 | 36 | 148 |

Розміри вихідного вала циліндричного редуктора 1Ц3У-400, який виготовлений як напівмуфти
| b | d | d 1 | d 2 | d 3 | L | l | l 1 | Зачеплення | |
| m | z | ||||||||
| 40 | 336 | 180 | 150F8 | 215 | 335 | 15 | 65 | 8 | 40 |
Розміри для приєднання до тихохідного валу приладів керування
| b | d | d 1 | d 2 | d 3 | L |
| 5 | 140h9 | 75h9 | 55 | М8х20 | 240 |
ВАРІАНТИ ЗБІРКИ РЕДУКТОРІВ

Редуктор 1Ц3У-400
Відгуків про цей товар ще не було.
Немає відгуків про цей товар, станьте першим, залиште свій відгук.
Немає питань про даний товар, станьте першим і задайте своє питання.