Редуктор 2Ч складання 53
Черв'ячний редуктор 2Ч складання 53
Редуктор 2Ч відноситься до групи перетворювальних пристроїв з черв'ячним типом передачі. Дані редуктори встановлюють як привод загального призначення для зміни крутного моменту і частоти обертання. Експлуатують агрегат у мікрокліматичних районах з помірним або сухим та вологим тропічним кліматом.
Представлений редуктор має 53 варіант складання. Такий агрегат має два тихохідні вали, які дозволяють підключити до нього відразу два пристрої. Осі перетинаються під кутом 90 градусів у горизонтальній площині.
На сайті компанії-виробника «Промпривод» ви знайдете великий вибір редукторів загальнопромислового та вузькоспеціалізованого напряму, а також комплектуючого обладнання. Компанія надає гарантію на 12 місяців, а також до кожного пристрою йде унікальний паспорт. Ми співпрацюємо з найкращими транспортними компаніями країни, тому доставки завжди здійснюються у найкоротші терміни.
Умовне позначення варіанта складання 53

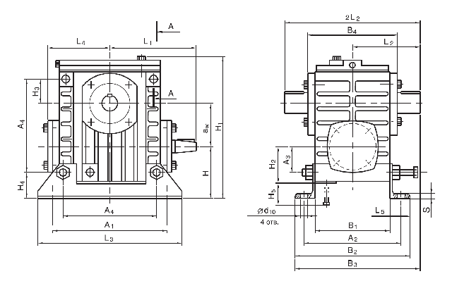
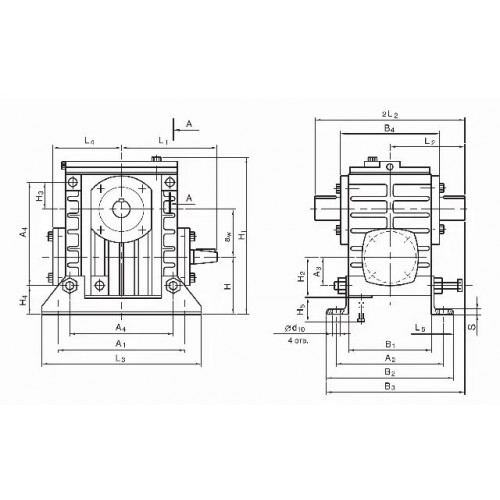
Конструкція редуктора 2Ч

Технічні характеристики редукторів 2Ч
| iном | Редуктор 2Ч-40 | Редуктор 2Ч-63 | Редуктор 2Ч-80 | |||
| Мкр, Н•м | ККД | Мкр, Н•м | ККД | Мкр, Н•м | ККД | |
| 8 | 32 | 0,87 | 120 | 0,89 | 230 | 0,90 |
| 10 | 32 | 0,85 | 110 | 0,88 | 210 | 0,89 |
| 12.5 | 28 | 0,83 | 100 | 0,88 | 200 | 0,88 |
| 16 | 36 | 0,81 | 140 | 0,84 | 260 | 0,85 |
| 20 | 35 | 0,76 | 120 | 0,83 | 240 | 0,83 |
| 25 | 30 | 0,73 | 110 | 0,81 | 220 | 0,82 |
| 31.5 | 40 | 0,70 | 150 | 0,74 | 280 | 0,77 |
| 40 | 36 | 0,63 | 130 | 0,73 | 260 | 0,72 |
| 50 | 32 | 0,60 | 120 | 0,68 | 240 | 0,71 |
| 63 | 28 | 0,58 | 100 | 0,62 | 210 | 0,64 |
| 80 | 20 | 0,53 | 90 | 0,60 | 180 | 0,61 |
| Маса, кг | 6,5 | 13 | 18,5 | |||
Приклад умовного позначення редукторів 2Ч:
2Ч-63-31.5-53-1-У3, ТУУ 29.1-24587406.003-2003:
2Ч - тип редуктора;
63 - міжосьова відстань, мм;
31.5 - номінальне передавальне число;
53 - варіант складання;
1 - варіант розташування черв'ячної пари;
У3 - кліматичне виконання та категорія розміщення.
Редуктор 2Ч сборки 53
Відгуків про цей товар ще не було.
Немає відгуків про цей товар, станьте першим, залиште свій відгук.
Немає питань про даний товар, станьте першим і задайте своє питання.