Редуктор 2Ч складання 56
Черв'ячний редуктор 2Ч складання 56
Редуктор 2Ч є одноступінчатим черв'ячним редуктором. Він розроблений як універсальний механізм для передачі крутного моменту по перпендикулярній осі. Такі агрегати розраховані працювати, як із зупинками, і у режимі 24 години. Область застосування дуже велика і включає у собі багато сфер виробництва та промисловості.
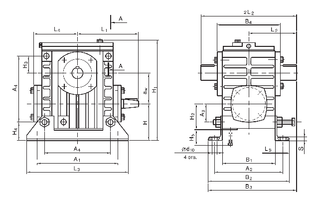
Варіант складання 56 передбачає наявність одного вхідного валу та двох порожнистих вихідних валів, які є симетричними. Осі редуктора перетинаються під прямим кутом у горизонтальній площині.
Компанія «Промпривод» пропонує придбати редуктори високої якості за вигідними цінами. Для оптових покупців ми надаємо лояльну систему знижок. Зателефонувавши за телефоном, вказаним на сайті, ви отримаєте вичерпну відповідь на будь-яке запитання щодо придбання та особливостей експлуатації будь-якого загальнопромислового або вузькоспеціалізованого редуктора. На всі пристрої поширюється гарантія на 12 місяців. Доставка можлива до будь-якого населеного пункту України.
Умовне позначення варіанта складання 56

Конструкція редуктора 2Ч

Технічні характеристики редукторів 2Ч
| iном | Редуктор 2Ч-40 | Редуктор 2Ч-63 | Редуктор 2Ч-80 | |||
| Мкр, Н•м | ККД | Мкр, Н•м | ККД | Мкр, Н•м | ККД | |
| 8 | 32 | 0,87 | 120 | 0,89 | 230 | 0,90 |
| 10 | 32 | 0,85 | 110 | 0,88 | 210 | 0,89 |
| 12.5 | 28 | 0,83 | 100 | 0,88 | 200 | 0,88 |
| 16 | 36 | 0,81 | 140 | 0,84 | 260 | 0,85 |
| 20 | 35 | 0,76 | 120 | 0,83 | 240 | 0,83 |
| 25 | 30 | 0,73 | 110 | 0,81 | 220 | 0,82 |
| 31.5 | 40 | 0,70 | 150 | 0,74 | 280 | 0,77 |
| 40 | 36 | 0,63 | 130 | 0,73 | 260 | 0,72 |
| 50 | 32 | 0,60 | 120 | 0,68 | 240 | 0,71 |
| 63 | 28 | 0,58 | 100 | 0,62 | 210 | 0,64 |
| 80 | 20 | 0,53 | 90 | 0,60 | 180 | 0,61 |
| Маса, кг | 6,5 | 13 | 18,5 | |||
Приклад умовного позначення редукторів 2Ч:
2Ч-63-31,5-56-1-У3, ТУУ 29.1-24587406.003-2003:
2Ч – тип редуктора;
63 - міжосьова відстань, мм;
31.5 – номінальне передавальне число;
56 - варіант складання;
1 - варіант розташування черв'ячної пари;
У3 - кліматичне виконання та категорія розміщення.
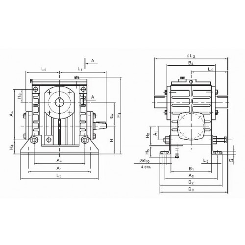
Редуктор 2Ч сборки 56
Відгуків про цей товар ще не було.
Немає відгуків про цей товар, станьте першим, залиште свій відгук.
Немає питань про даний товар, станьте першим і задайте своє питання.