Редуктор 2Ч складання 52
Черв'ячний редуктор 2Ч складання 52
Редуктор 2Ч є універсальним одноступінчастим пристроєм з черв'ячним типом передачі. Робота редуктора полягає в перетворенні моменту, що крутить, і частоти обертання гвинта в приводах різного обладнання. Оскільки механізм має загальне призначення, застосування його дуже широко.
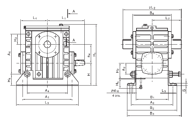
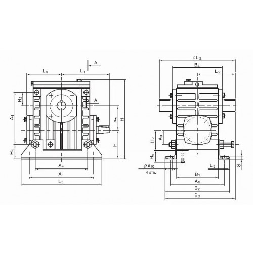
Редуктори випускають відповідно до 52 варіанта складання, тому йому притаманний перетин осей під кутом 90 градусів. Осі перетинаються у горизонтальній площині. Агрегат має один швидкохідний вал, до якого підключають електродвигун, і один тихохідний для з'єднання з обладнанням.
Придбати редуктори ви можете у нас на сайті, залишивши заявку онлайн. Компанія «Промпривод» пропонує широкий асортимент перетворювачів за варіантами складання. Зателефонувавши за телефоном, вказаним на сайті, ви отримаєте розгорнуту відповідь на всі питання щодо підбору, встановлення та експлуатації редукторів та мотор-редукторів. Оправлення здійснюється у вказані раніше терміни по всій території країни. Для постійних клієнтів та оптових покупців діє гнучка система знижок.
Умовне позначення варіанта складання 52

Конструкція редуктора 2Ч

Технічні характеристики редукторів 2Ч
| iном | Редуктор 2Ч-40 | Редуктор 2Ч-63 | Редуктор 2Ч-80 | |||
| Мкр, Н•м | ККД | Мкр, Н•м | ККД | Мкр, Н•м | ККД | |
| 8 | 32 | 0,87 | 120 | 0,89 | 230 | 0,90 |
| 10 | 32 | 0,85 | 110 | 0,88 | 210 | 0,89 |
| 12,5 | 28 | 0,83 | 100 | 0,88 | 200 | 0,88 |
| 16 | 36 | 0,81 | 140 | 0,84 | 260 | 0,85 |
| 20 | 35 | 0,76 | 120 | 0,83 | 240 | 0,83 |
| 25 | 30 | 0,73 | 110 | 0,81 | 220 | 0,82 |
| 31,5 | 40 | 0,70 | 150 | 0,74 | 280 | 0,77 |
| 40 | 36 | 0,63 | 130 | 0,73 | 260 | 0,72 |
| 50 | 32 | 0,60 | 120 | 0,68 | 240 | 0,71 |
| 63 | 28 | 0,58 | 100 | 0,62 | 210 | 0,64 |
| 80 | 20 | 0,53 | 90 | 0,60 | 180 | 0,61 |
| Маса, кг | 6,5 | 13 | 18,5 | |||
Приклад умовного позначення редукторів 2Ч:
2Ч-63-31,5-52-1-У3, ТУУ 29.1-24587406.003-2003:
2Ч - тип редуктора;
63 - міжосьова відстань, мм;
31,5 - номінальне передавальне число;
52 - варіант складання;
1 - варіант розташування черв'ячної пари;
У3 - кліматичне виконання та категорія розміщення.
Редуктор 2Ч сборки 52
Відгуків про цей товар ще не було.
Немає відгуків про цей товар, станьте першим, залиште свій відгук.
Немає питань про даний товар, станьте першим і задайте своє питання.