Редуктор А-400-25 вертикальний крановий
Крановий редуктор А-400-25 з трьома ступенями циліндричний вертикальний
Редуктор А400-25 використовується як крановий перетворювач механічного принципу дії. Він підключається до двигуна та виконавчого пристрою за допомогою валів, які можуть мати таку будову:
- Конічний вал - універсальний та найпростіший спосіб приєднання перетворювача до електричного двигуна.
- Порожнистий вал дозволяє заощадити простір і зменшити масу та габарити усієї системи.
Ви можете купити редуктори А-400 безпосередньо від виробника – компанії «Промпривод». Ми пропонуємо зручні умови співробітництва як для одноразової покупки, так і для тривалих торговельних відносин. У нас діє лояльна система знижок, зручна для промисловців у всій країні. Відправляємо редуктори Україною в день оплати товару. На всі перетворювачі діє гарантія 12 місяців.
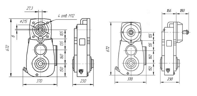
Основні настановні та габаритні розміри редуктора А-400

Розміри вхідного та вихідного вала редуктора А-400

Основні параметри редуктора А-400
| Номінальне передавальне число | Номінальний крутний момент на тихохідному валу, Нм | Частота обертання вхідного валу, хв-1 | Вага, кг | ККД | Режими роботи | Допустимий момент, що крутить, на вихідному валу, Н*м |
| 25 | 1350 | 1500 | 82 | 0,97 | ПВ=100% | 1350 |
| ПВ=40% | 1550 | |||||
| ПВ=25% | 2100 | |||||
| ПВ=15% | 2450 |
Умови експлуатації редуктора А-400
| Характеристика | Значення, опис |
| Режим роботи | Повторно-короткочасний, періодичний |
| Час роботи | Максимальна тривалість безперервної роботи – не більше 30 хвилин |
| Запиленість приміщення, атмосфера | Рівень запиленості за ГОСТ 15150 трохи більше 10 мг/м3, допустима атмосфера I і II |
| Оберти на валу | Максимально допустимі обороти на валу – 1500 об/хв |
| Тип навантаження | Постійний1 змінний, одного напрямку, реверсивний |
| Кліматичне виготовлення | Різне кліматичне виконання для різних категорій розміщення згідно з ГОСТ 15150-69; У або Т для категорій із 1 по 4. |
Варіанти збирання редуктор А-400
Приклад умовного позначення редуктора А-400

Редуктор А-400-25 вертикальный крановый
Відгуків про цей товар ще не було.
Немає відгуків про цей товар, станьте першим, залиште свій відгук.
Немає питань про даний товар, станьте першим і задайте своє питання.