Редуктор А-400 вертикальний циліндричний
Циліндричний вертикальний редуктор А-400 (крановий)
Кранові триступінчасті редуктори А-400 відносяться до циліндричних перетворювачів, що використовуються в будівельних та виробничих операціях для отримання оптимальних характеристик робочого процесу. Пристрій створюється у вертикальному виконанні і може бути закріплено на поверхні, розташованій відповідним чином, що дозволяє заощаджувати місце в цеху чи іншому приміщенні.
Редуктор із зубчастою циліндричною передачею працює з високим ККД та мінімальним тепловиділенням. Корпус пристрою виконується твердим, міцним, чавунним. Це дозволяє гарантувати захист від зміщення валів та тривалий період експлуатації всього механізму.
Замовити редуктор можете відразу ж на сайті компанії «Промпривод». або надіславши лист із заявкою на нашу електронну адресу. При виникненні додаткових питань, а також потреби допомоги у підборі товару, ви можете зателефонувати на телефон, вказаний на сайті та поспілкуватися з нашими фахівцями. Редуктор А-400 купити дуже просто - телефонуйте, пишіть чи залиште свою заявку на сайті!
При замовленні ви також отримуєте гарантію на 12 місяців та паспорт із докладними характеристиками редуктора. Доставка виконується по всій території України в найкоротші терміни та будь-яким зручним способом.
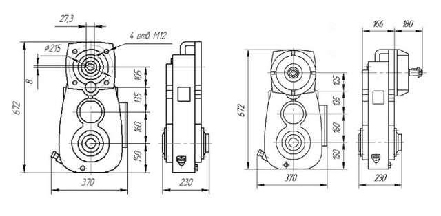
Основні установлювальні та габаритні розміри редуктора А-400

Розміри вхідного та вихідного вала редуктора А-400

Основні параметри редуктора А-400
| Номінальне передавальне число | Номінальний крутний момент на тихенькохідному валу, Нм | Частота обертання вхідного вала, хв-1 | Вага, кг | ККД | Режими роботи | Допустимий момент, що крутить, на вихідному валу, Н*м |
| 20; 25; 35,5; 40; 50; 63 | 1350 | 1500 | 82 | 0,97 | ПВ=100% | 1350 |
| ПВ=40% | 1550 | |||||
| ПВ=25% | 2100 | |||||
| ПВ=15% | 2450 |
Умови експлуатації редуктора А-400
| Характеристика | Значення, опис |
| Режим роботи | Повторно-короткочасний, періодичний |
| Час роботи | Максимальна тривалість безупинної роботи — не більш ніж 30 хвилин |
| Запиленість приміщення, атмосфера | Рівень запиленості за ГОСТ 15150 трохи більше 10 мг/м3, допустима атмосфера I і II |
| Оберти на валу | Максимально допустимі оберти на валу — 1500 об/хв |
| Тип навантаження | Постійний, змінний, одного напрямку, реверсивний |
| Кліматичне виконання | Різне кліматичне виконання для різних категорій розміщення згідно з ГОСТ 15150-69; У або Т для категорій із 1 по 4. |
Варіанти складання редуктор А-400

Приклад умовного позначення редуктора А-400

Редуктор А-400 вертикальный цилиндрический
Відгуків про цей товар ще не було.
Немає відгуків про цей товар, станьте першим, залиште свій відгук.
Немає питань про даний товар, станьте першим і задайте своє питання.