Редуктор Ч-100-25-56
Черв'ячний редуктор Ч-100-25 варіанта складання 56
Варіант складання редуктора Ч-100-25-56 має на увазі наявність двох симетричних висновків порожнистих валів для підключення перетворювача безпосередньо до наступної ланки приводного ланцюга.
Цей редуктор позиціонується як універсальний, може бути задіяний при різних типах навантаження та режимах роботи. Перетворювач відзначений як компактний, легкий в експлуатації і має тривалий експлуатаційний період.
Конструкція редуктора Ч-100

Варіант складання редуктора 56

Умови застосування редуктора Ч
| Характеристика | Значення |
| Тип навантаження | Постійний, змінний |
| Напрямок руху вала | Односпрямований або реверсивний |
| Режим роботи | Постійний або з зупинками |
| Частота обертання вхідного вала, не більш ніж | 1800 об/хв |
| Зовнішнє середовище | Нейтральне, неагресивне та невибухонебезпечне |
| Кліматичне виконання | У, Т для категорії розміщення 1-3 і УХЛ, О для категорії розміщення 4 |
Хочете дізнатися більше про перетворювача? Телефонуйте в «Промпривод»!
Ми надаємо докладну консультацію своїм клієнтам не тільки з питань придбання, а й про нюанси використання, конструкції та встановлення різного промислового обладнання. Професійні співробітники компанії «Промпривод» допоможуть вам купити редуктор Ч-100, ціна на який варіюватиметься від типорозміру та розміру замовлення. Усі можливі варіанти складання механізму ви можете побачити у нас на сайті або уточнити за телефоном.
Доставка по всій Україні перевіреними транспортними компаніями-компаньйонами!
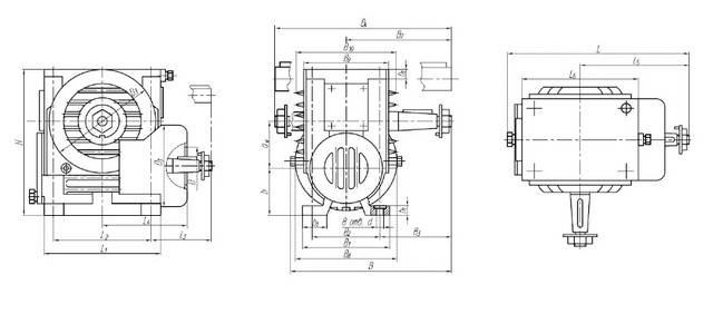
Габаритні та приєднувальні розміри черв'ячного редуктора Ч

| A | B | B 1 | B 2 | B 3 | H | H 1 | H 2 | L | L 1 | L 2 | L 3 | d |
| 100 | 194 | 175 | 140 | 225 | 312 | 100 | 18 | 373 | 240 | 200 | 225 | 19 |
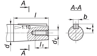
Приєднувальні розміри швидкохідного вала редуктора Ч

| d | d 1 | l | l 1 | b | t |
| 32 | М20х1,5 | 80 | 58 | 6 | 17,05 |
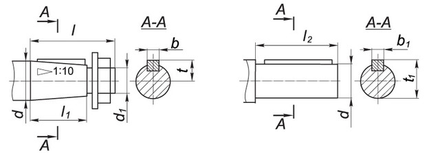
Приєднувальні розміри тихохідного вала редуктора Ч

| d | d 1 | l | l 1 | l 2 | b | t | b 1 | t 1 |
| 45 | М30х2,0 | 110 | 82 | 90 | 12 | 23,45 | 14 | 48,5 |
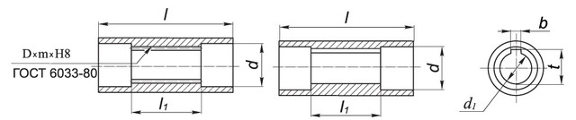
Приєднувальні розміри порожнистих валів редуктора Ч

| d | d 1 | l | l 1 | b | t | D х m х H8 |
| 46 | 35 | 205 | 90 | 10 | 38,3 | 45 х 2,0 х Н8 |
Варіанти розташування черв'ячної пари

Приклад умовного позначення

Редуктор Ч-100-25-56
Відгуків про цей товар ще не було.
Немає відгуків про цей товар, станьте першим, залиште свій відгук.
Немає питань про даний товар, станьте першим і задайте своє питання.