Редуктор Ч-100-63-53
Черв'ячний редуктор Ч-100-63 варіанта складання 53
Редуктор Ч-100-63-53 – загальнопромисловий перетворювач черв'ячного типу.
Механізм використовується в транспортній, господарській або виробничій сфері як пристрій, що дозволяє отримати необхідні під певне навантаження частоту обертання та момент кручення.
Механічний редуктор даної серії має невеликі габарити, за що цінується в тих випадках, коли пристрій потрібно помістити в обмежений простір.
Конструкція редуктора Ч-100

Варіант складання редуктора 53

Умови застосування редуктора Ч
| Характеристика | Значення |
| Тип навантаження | Постійний, змінний |
| Напрямок руху вала | Односпрямований або реверсивний |
| Режим роботи | Постійний або з зупинками |
| Частота обертання вхідного вала, не більш ніж | 1800 об/хв |
| Зовнішнє середовище | Нейтральне, неагресивне та невибухонебезпечне |
| Кліматичне виконання | У, Т для категорії розміщення 1-3 і УХЛ, О для категорії розміщення 4 |
Хочете дізнатися більше про перетворювача? Телефонуйте в «Промпривод»!
Ми надаємо докладну консультацію своїм клієнтам не тільки з питань придбання, а й про нюанси використання, конструкції та встановлення різного промислового обладнання. Професійні співробітники компанії «Промпривод» допоможуть вам купити редуктор Ч-100, ціна на який варіюватиметься від типорозміру та розміру замовлення. Усі можливі варіанти складання механізму ви можете побачити у нас на сайті або уточнити за телефоном.
Доставка по всій Україні перевіреними транспортними компаніями-компаньйонами!
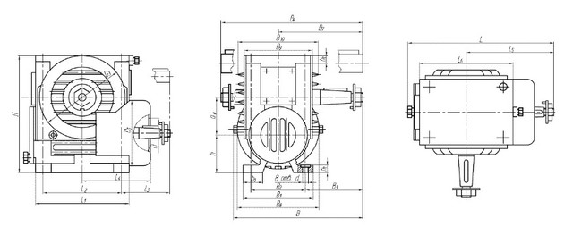
Габаритні та приєднувальні розміри черв'ячного редуктора Ч

| A | B | B 1 | B 2 | B 3 | H | H 1 | H 2 | L | L 1 | L 2 | L 3 | d |
| 100 | 194 | 175 | 140 | 225 | 312 | 100 | 18 | 373 | 240 | 200 | 225 | 19 |
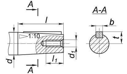
Приєднувальні розміри швидкохідного вала редуктора Ч

| d | d 1 | l | l 1 | b | t |
| 32 | М20х1,5 | 80 | 58 | 6 | 17,05 |
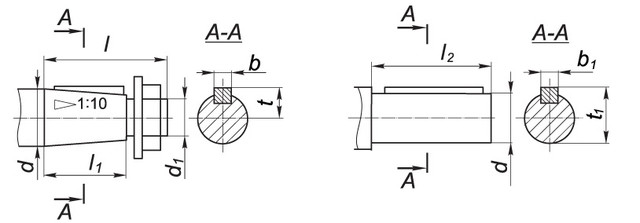
Приєднувальні розміри тихохідного вала редуктора Ч

| d | d 1 | l | l 1 | l 2 | b | t | b 1 | t 1 |
| 45 | М30х2,0 | 110 | 82 | 90 | 12 | 23,45 | 14 | 48,5 |
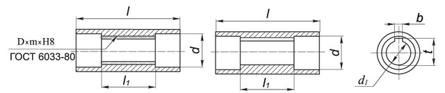
Приєднувальні розміри порожнистих валів редуктора Ч

| d | d 1 | l | l 1 | b | t | D х m х H8 |
| 46 | 35 | 205 | 90 | 10 | 38,3 | 45 х 2,0 х Н8 |
Варіанти розташування черв'ячної пари

Приклад умовного позначення

Редуктор Ч-100-63-53
Відгуків про цей товар ще не було.
Немає відгуків про цей товар, станьте першим, залиште свій відгук.
Немає питань про даний товар, станьте першим і задайте своє питання.