Редуктор Ч-125-12.5-51
Черв'ячний редуктор Ч-125-12.5 варіанта складання 51
Редуктор Ч-125-12,5-51 – це перетворювач універсального типу. Його висока популярність обумовлена наявністю таких переваг:
- Висока ефективність та тривалий термін роботи.
- Невеликі габарити.
- Низька ціна на редуктор Ч
Конструкція редуктора Ч-125

Варіант складання редуктора 51

Умови застосування редуктора Ч
| Характеристика | Значення |
| Тип навантаження | Постійний, змінний |
| Напрямок руху вала | Односпрямований або реверсивний |
| Режим роботи | Постійний або з зупинками |
| Частота обертання вхідного вала, не більш ніж | 1800 об/хв |
| Зовнішнє середовище | Нейтральне, неагресивне та невибухонебезпечне |
| Кліматичне виконання | У, Т для категорії розміщення 1-3 і УХЛ, О для категорії розміщення 4 |
Вам потрібно дізнатися більше про особливості конструкції та використання редуктора Ч різних варіантів складання? Зателефонуйте менеджерам компанії «Промпривод», щоб отримати професійну консультацію та допомогу в оформленні замовлення
Залежно від типорозміру пристрою варіюється ціна на редуктор Ч. За оптового замовлення формується додаткова знижка!
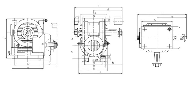
Габаритні та приєднувальні розміри черв'ячного редуктора Ч

| A | B | B 1 | B 2 | B 3 | H | H 1 | H 2 | L | L 1 | L 2 | L 3 | d |
| 125 | 243 | 230 | 190 | 230 | 396 | 111 | 22 | 437 | 275 | 230 | 261 | 19 |
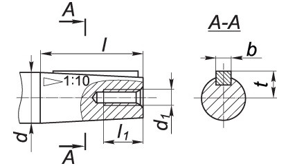
Приєднувальні розміри швидкохідного вала редуктора Ч

| d | d 1 | l | l 1 | l 2 | b | t | b 1 | t 1 |
| 55 | М36х3,0 | 110 | 82 | 110 | 14 | 28,95 | 16 | 59 |
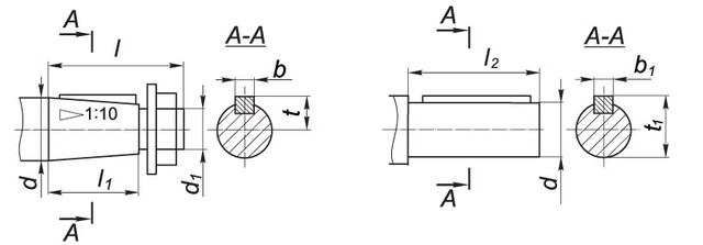
Приєднувальні розміри тихохідного вала редуктора Ч

| d | d 1 | l | l 1 | l 2 | b | t | b 1 | t 1 |
| 55 | М36х3,0 | 110 | 82 | 110 | 14 | 28,95 | 16 | 59 |
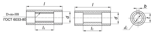
Приєднувальні розміри порожнистих валів редуктора Ч

| d | d 1 | l | l 1 | b | t | D х m х H8 |
| 60 | 40 | 230 | 110 | 12 | 43,3 | 55 х 2,5 х Н8 |
Варіанти розташування черв'ячної пари

Приклад умовного позначення

Відгуків про цей товар ще не було.
Немає відгуків про цей товар, станьте першим, залиште свій відгук.
Немає питань про даний товар, станьте першим і задайте своє питання.