Редуктор Ч-125-8-52
Черв'ячний редуктор Ч-125-8 варіанта складання 52
Черв'ячна передача - одна з найпоширеніших у виробничій, промисловій та інших технічних сферах, що використовується для отримання необхідного моменту крутіння.
Вона реалізується в механічному вузлі різних приводів та представлена черв'ячним редуктором Ч-125-8-52. Цей механізм відрізняється від аналогічних зменшеними габаритами та відмінною продуктивністю.
Конструкція редуктора Ч-125

Варіант складання редуктора 52

Умови застосування редуктора Ч
| Характеристика | Значення |
| Тип навантаження | Постійний, змінний |
| Напрямок руху вала | Односпрямований або реверсивний |
| Режим роботи | Постійний або з зупинками |
| Частота обертання вхідного вала, не більш ніж | 1800 об/хв |
| Зовнішнє середовище | Нейтральне, неагресивне та невибухонебезпечне |
| Кліматичне виконання | У, Т для категорії розміщення 1-3 і УХЛ, О для категорії розміщення 4 |
Вам потрібно дізнатися більше про особливості конструкції та використання редуктора Ч різних варіантів складання? Зателефонуйте менеджерам компанії «Промпривод», щоб отримати професійну консультацію та допомогу в оформленні замовлення
Залежно від типорозміру пристрою варіюється ціна на редуктор Ч. За оптового замовлення формується додаткова знижка!
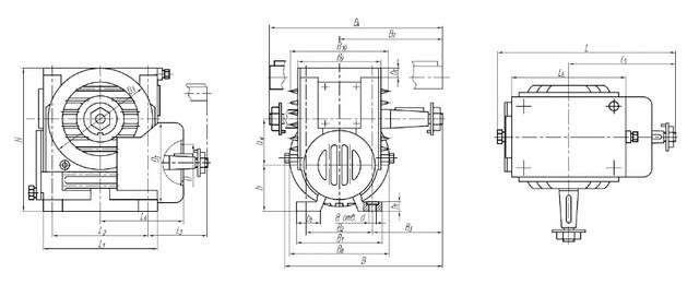
Габаритні та приєднувальні розміри черв'ячного редуктора Ч

| A | B | B 1 | B 2 | B 3 | H | H 1 | H 2 | L | L 1 | L 2 | L 3 | d |
| 125 | 243 | 230 | 190 | 230 | 396 | 111 | 22 | 437 | 275 | 230 | 261 | 19 |
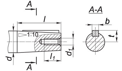
Приєднувальні розміри швидкохідного вала редуктора Ч

| d | d 1 | l | l 1 | l 2 | b | t | b 1 | t 1 |
| 55 | М36х3,0 | 110 | 82 | 110 | 14 | 28,95 | 16 | 59 |
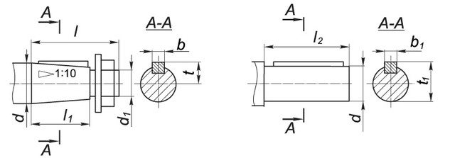
Приєднувальні розміри тихохідного вала редуктора Ч

| d | d 1 | l | l 1 | l 2 | b | t | b 1 | t 1 |
| 55 | М36х3,0 | 110 | 82 | 110 | 14 | 28,95 | 16 | 59 |
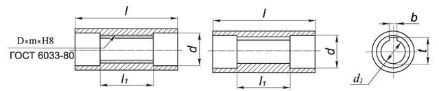
Приєднувальні розміри порожнистих валів редуктора Ч

| d | d 1 | l | l 1 | b | t | D х m х H8 |
| 60 | 40 | 230 | 110 | 12 | 43,3 | 55 х 2,5 х Н8 |
Варіанти розташування черв'ячної пари

Приклад умовного позначення

Редуктор Ч-125-8-52
Відгуків про цей товар ще не було.
Немає відгуків про цей товар, станьте першим, залиште свій відгук.
Немає питань про даний товар, станьте першим і задайте своє питання.