Редуктор Ч-160-12.5-52
Черв'ячний редуктор Ч-160-12.5 варіанта складання 52
Редуктор Ч-160-12.5-52 використовується в промисловій та транспортній сфері як механічний перетворювач.
Він відноситься до черв'ячних пристроїв, які засновують свою роботу на зубчастому зачепленні пари, що сполучається - колеса і черв'яка.
Місця контакту деталей виробляються з якісної сталі і піддаються термічному гартуванню, за рахунок чого редуктор набуває високої міцності і може служити довгі роки.
Конструкція редуктора Ч-160

Варіант складання редуктора 52

Умови застосування редуктора Ч
| Характеристика | Значення |
| Тип навантаження | Постійний, змінний |
| Напрямок руху вала | Односпрямований або реверсивний |
| Режим роботи | Постійний або з зупинками |
| Частота обертання вхідного вала, не більш ніж | 1800 об/хв |
| Зовнішнє середовище | Нейтральне, неагресивне та невибухонебезпечне |
| Кліматичне виконання | У, Т для категорії розміщення 1-3 і УХЛ, О для категорії розміщення 4 |
Не знаєте, як вибрати та купити черв'ячний редуктор Ч за варіантами складання? Чи ви маєте інші питання з нюансів виготовлення та встановлення промислових перетворювачів? Ми допоможемо вам зорієнтуватися у світі професійної техніки. У компанії «Промпривод» можна отримати консультацію від фахівця та підібрати механізм, що найбільше підходить під ваші вимоги та умови експлуатації.
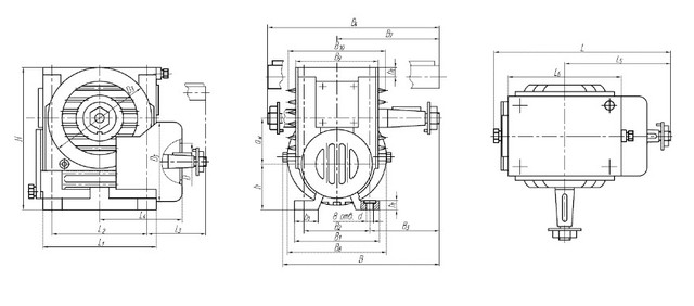
Габаритні та приєднувальні розміри черв'ячного редуктора Ч

| A | B | B 1 | B 2 | B 3 | H | H 1 | H 2 | L | L 1 | L 2 | L 3 | d |
| 160 | 282 | 280 | 230 | 280 | 500 | 140 | 30 | 551 | 350 | 300 | 345 | 22 |
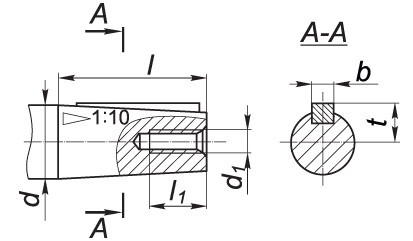
Приєднувальні розміри швидкохідного вала редуктора Ч

| d | d 1 | l | l 1 | b | t |
| 40 | М24х2,0 | 110 | 82 | 10 | 20,95 |
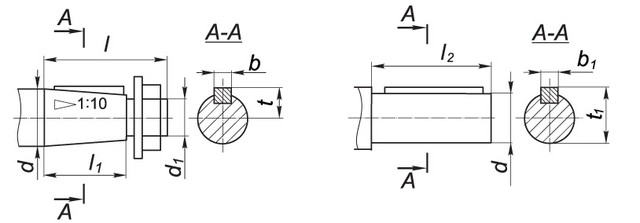
Приєднувальні розміри тихохідного вала редуктора Ч

| d | d 1 | l | l 1 | l 2 | b | t | b 1 | t 1 |
| 70 | М48х3,0 | 140 | 105 | 140 | 18 | 36,375 | 20 | 74,5 |
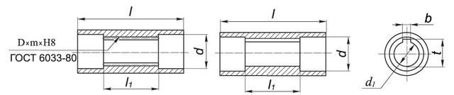
Приєднувальні розміри порожнистих валів редуктора Ч

| d | d 1 | l | l 1 | b | t | D х m х H8 |
| 72 | 60 | 275 | 130 | 18 | 64,4 | 70 х 2,5 х Н8 |
Варіанти розташування черв'ячної пари

Приклад умовного позначення

Відгуків про цей товар ще не було.
Немає відгуків про цей товар, станьте першим, залиште свій відгук.
Немає питань про даний товар, станьте першим і задайте своє питання.