Редуктор Ч-160-20-52
Черв'ячний редуктор Ч-160-20 варіанта складання 52
Якщо вам потрібний компактний і малошумний перетворювач загального промислового призначення, то редуктор Ч-160-20-52 повністю відповідає цьому опису.
Також перевагами даного перетворювача є висока ефективність у широкому діапазоні різних навантажень, легкість монтажу та можливість тривалого та безпечного використання протягом довгих років.
Конструкція редуктора Ч-160

Варіант складання редуктора 52

Умови застосування редуктора Ч
| Характеристика | Значення |
| Тип навантаження | Постійний, змінний |
| Напрямок руху вала | Односпрямований або реверсивний |
| Режим роботи | Постійний або з зупинками |
| Частота обертання вхідного вала, не більш ніж | 1800 об/хв |
| Зовнішнє середовище | Нейтральне, неагресивне та невибухонебезпечне |
| Кліматичне виконання | У, Т для категорії розміщення 1-3 і УХЛ, О для категорії розміщення 4 |
Не знаєте, як вибрати та купити черв'ячний редуктор Ч за варіантами складання? Чи ви маєте інші питання з нюансів виготовлення та встановлення промислових перетворювачів? Ми допоможемо вам зорієнтуватися у світі професійної техніки. У компанії «Промпривод» можна отримати консультацію від фахівця та підібрати механізм, що найбільше підходить під ваші вимоги та умови експлуатації.
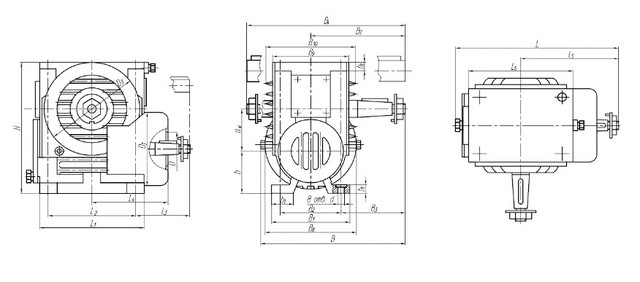
Габаритні та приєднувальні розміри черв'ячного редуктора Ч

| A | B | B 1 | B 2 | B 3 | H | H 1 | H 2 | L | L 1 | L 2 | L 3 | d |
| 160 | 282 | 280 | 230 | 280 | 500 | 140 | 30 | 551 | 350 | 300 | 345 | 22 |
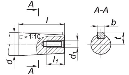
Приєднувальні розміри швидкохідного вала редуктора Ч

| d | d 1 | l | l 1 | b | t |
| 40 | М24х2,0 | 110 | 82 | 10 | 20,95 |
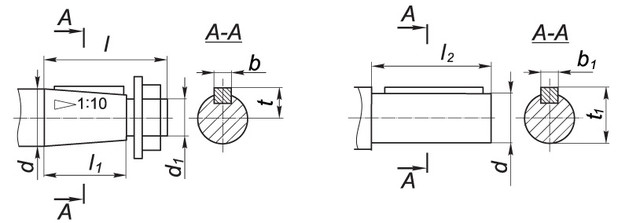
Приєднувальні розміри тихохідного вала редуктора Ч

| d | d 1 | l | l 1 | l 2 | b | t | b 1 | t 1 |
| 70 | М48х3,0 | 140 | 105 | 140 | 18 | 36,375 | 20 | 74,5 |
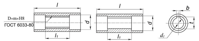
Приєднувальні розміри порожнистих валів редуктора Ч

| d | d 1 | l | l 1 | b | t | D х m х H8 |
| 72 | 60 | 275 | 130 | 18 | 64,4 | 70 х 2,5 х Н8 |
Варіанти розташування черв'ячної пари

Приклад умовного позначення

Редуктор Ч-160-20-52
Відгуків про цей товар ще не було.
Немає відгуків про цей товар, станьте першим, залиште свій відгук.
Немає питань про даний товар, станьте першим і задайте своє питання.