Редуктор Ч-80-25-52
Черв'ячний редуктор Ч-80-25 варіанта складання 52
Редуктор Ч-80-25-52 відноситься до загальнопромислових механізмів. Технічні характеристики та особливості даного виду пристроїв повністю відповідає стандарту – ГОСТ 16162-85.
Перетворювач має один ступінь черв'ячної передачі, для якої характерна робота на плавному ході. Редуктор позиціонується як малогабаритний і вкрай ефективний, особливо при встановленні в вентильований простір.
Конструкція редуктора Ч-80

Варіант складання редуктора 52

Умови застосування редуктора Ч
| Характеристика | Значення |
| Тип навантаження | Постійний, змінний |
| Напрямок руху вала | Односпрямований або реверсивний |
| Режим роботи | Постійний або з зупинками |
| Частота обертання вхідного вала, не більш ніж | 1800 об/хв |
| Зовнішнє середовище | Нейтральне, неагресивне та невибухонебезпечне |
| Кліматичне виконання | У, Т для категорії розміщення 1-3 і УХЛ, О для категорії розміщення 4 |
Купити редуктор Ч-80 в Україні найвигідніше у вітчизняного виробника
У компанії «Промпривод» ви завжди знайдете в безпосередній наявності або на замовлення редуктори черв'ячні у всіх необхідних варіантах складання. Дзвоніть нам у будь-який зручний час, залишайте онлайн-заявки і консультуйтеся у досвідчених співробітників про нюанси використання перетворювача, що зацікавив вас.
Доставляємо редуктори Ч в будь-який регіон України перевіреними транспортними компаніями! Безліч перетворювачів знаходиться в безпосередній наявності, тому вони можуть бути відправлені вам у найкоротші терміни.
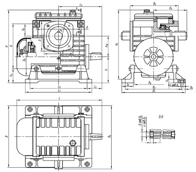
Габаритні та приєднувальні розміри черв'ячного редуктора Ч

| A | B | B 1 | B 2 | B 3 | H | H 1 | H 2 | L | L 1 | L 2 | L 3 | d |
| 105 | 120 | 100 | 140 | 163 | 180 | 72 | 37 | 160 | 100 | 150 | 100 | 13 |
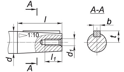
Приєднувальні розміри швидкохідного вала редуктора Ч

| Редуктор | d | d 1 | l | l 1 | b | t |
| Ч-80 | 25 | М8 | 42 | 20 | 5 | 13,45 |
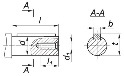
Приєднувальні розміри тихохідного вала редуктора Ч

| Редуктор | d | d 1 | l | l 1 | b | t |
| Ч-80 | 35к6 | М8 | 80 | 20 | 10 | 38 |
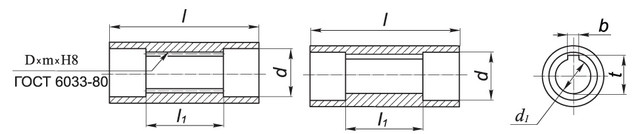
Приєднувальні розміри порожнистих валів редуктора Ч
| Редуктор | d | d 1 | l | l 1 | b | t | D х m х H8 |
| Ч-80 | 41 | 35 | 116 | 66 | 10 | 38,3 | 40 х 1,5 х H8 |
Варіанти розташування черв'ячної пари

Приклад умовного позначення

Редуктор Ч-80-25-52
Відгуків про цей товар ще не було.
Немає відгуків про цей товар, станьте першим, залиште свій відгук.
Немає питань про даний товар, станьте першим і задайте своє питання.
