Редуктор Ч-80-31.5-51
Черв'ячний редуктор Ч-80-31.5 варіанта складання 51
Для сполучення зі ланками приводного ланцюга перетворювальний вузол має вихідні кінці валів, за допомогою яких механізмам передаються змінений момент крутіння та швидкість обертання.
Організувати коректне з'єднання елементів автоматизованої системи пристроїв можна, спираючись на варіант складання. У нас ви можете замовити черв'ячний редуктор Ч-80-31.5-51, складання якого відображено на малюнку нижче.
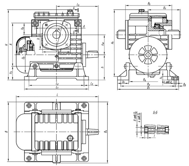
Конструкція редуктора Ч-80

Варіант складання редуктора 51

Умови застосування редуктора Ч
| Характеристика | Значення |
| Тип навантаження | Постійний, змінний |
| Напрямок руху вала | Односпрямований або реверсивний |
| Режим роботи | Постійний або з зупинками |
| Частота обертання вхідного вала, не більш ніж | 1800 об/хв |
| Зовнішнє середовище | Нейтральне, неагресивне та невибухонебезпечне |
| Кліматичне виконання | У, Т для категорії розміщення 1-3 і УХЛ, О для категорії розміщення 4 |
Купити редуктор Ч-80 в Україні найвигідніше у вітчизняного виробника
У компанії «Промпривод» ви завжди знайдете в безпосередній наявності або на замовлення редуктори черв'ячні у всіх необхідних варіантах складання. Дзвоніть нам у будь-який зручний час, залишайте онлайн-заявки і консультуйтеся у досвідчених співробітників про нюанси використання перетворювача, що зацікавив вас.
Доставляємо редуктори Ч в будь-який регіон України перевіреними транспортними компаніями! Безліч перетворювачів знаходиться в безпосередній наявності, тому вони можуть бути відправлені вам у найкоротші терміни.
Габаритні та приєднувальні розміри черв'ячного редуктора Ч

| A | B | B 1 | B 2 | B 3 | H | H 1 | H 2 | L | L 1 | L 2 | L 3 | d |
| 105 | 120 | 100 | 140 | 163 | 180 | 72 | 37 | 160 | 100 | 150 | 100 | 13 |
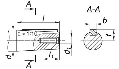
Приєднувальні розміри швидкохідного вала редуктора Ч

| Редуктор | d | d 1 | l | l 1 | b | t |
| Ч-80 | 25 | М8 | 42 | 20 | 5 | 13,45 |
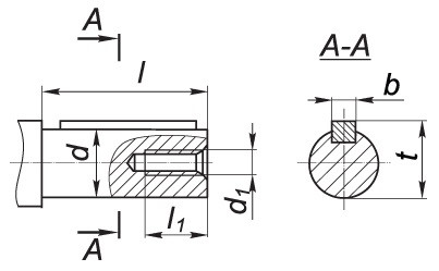
Приєднувальні розміри тихохідного вала редуктора Ч

| Редуктор | d | d 1 | l | l 1 | b | t |
| Ч-80 | 35к6 | М8 | 80 | 20 | 10 | 38 |
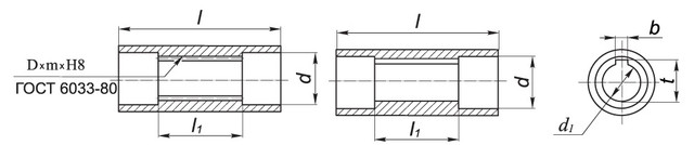
Приєднувальні розміри порожнистих валів редуктора Ч

| Редуктор | d | d 1 | l | l 1 | b | t | D х m х H8 |
| Ч-80 | 41 | 35 | 116 | 66 | 10 | 38,3 | 40 х 1,5 х H8 |
Варіанти розташування черв'ячної пари

Приклад умовного позначення

Відгуків про цей товар ще не було.
Немає відгуків про цей товар, станьте першим, залиште свій відгук.
Немає питань про даний товар, станьте першим і задайте своє питання.