Редуктор крановий ВК-350-10
Редуктор крановий ВК-350-10
Спеціальний редуктор ВК-350-10 застосовується з приводами механізмів пересування кранів і є триступінчастим. У його пристрої застосовано циліндричний тип передачі. Міжосьова відстань даного редуктора дорівнює 350 мм.
Редуктор ВК-350 має вертикальне розташування. Експлуатація можлива за температури від -40 до +50 градусів Цельсія та вологості в межах 20-95%. Він чудово справляється зі своїм завданням за різних типів навантаження. Може працювати як у одному напрямку, так і в реверсному режимі.
Купити редуктор ВК-350-10 можна на нашому сайті компанії «Промпривод» за найвигіднішою ціною. Для оформлення заявки, Вам лише потрібно зателефонувати нашим менеджерам на вказаний на сайті номер або зробити це онлайн.
При купівлі товару у нас Ви отримуєте не тільки найвищу якість виробу, але й:
- оригінальний паспорт,
- гарантію 12 місяців,
- оперативну доставку по всій території України.
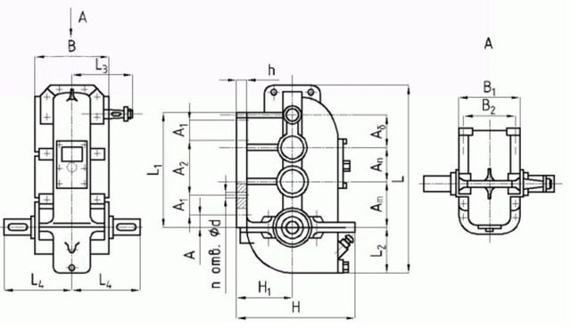
Схема габаритних і приєднувальних розмірів редуктора ВК-350-10

| awб | awпр | awт | a | B | B1 | B2 | B3 | B4 | B5 | H | Н0 | L | L1 | М | З |
| 90 | 130 | 130 | 20 | 170 | 197,5 | 180 | 220 | - | 185 | 298 | 160 | 558 | 280 | 140 | 132 |
| S | S1 | S2 | Ød | Ød1 | Ød2 | Ød3 | d4 | l1 | l2 | l3 | b1 | b2 | t1 | t2 | n отв |
| 50 | - | 185 | 17 | 30 | М20x1,5 | 45 | 35 | 60 | 80 | 55 | 8 | 10 | 16,5 | 38,5 | 4 |
Характеристики кранового кранового редуктора
| Типорозмір | ВК-350 | ||
| Номінальне передавальне | 10,0 | ||
| Номінальний крутний момент | 10 (600) | Важкий | 398 |
| Середній | 478 | ||
| Легкий | 541 | ||
| Особливо легкий | 764 | ||
| 12,5 (750) | Важкий | 369 | |
| Середній | 433 | ||
| Легкий | 497 | ||
| Особливо легкий | 751 | ||
| 16,6 (1000) | Важкий | 325 | |
| Середній | 382 | ||
| Легкий | 449 | ||
| Особливо легкий | 716 | ||
| Найбільший короткочасно допустимий момент, що крутить, на тихохідному валу, Тmax, Н×м | 13500 | ||
| Маса, кг, не більше | 77 | ||
Варіанти складання редуктора ВК-350-10

Приклад умовного позначення редуктора ВК-350

Редуктор крановый ВК-350-10
Відгуків про цей товар ще не було.
Немає відгуків про цей товар, станьте першим, залиште свій відгук.
Немає питань про даний товар, станьте першим і задайте своє питання.