Редуктор КЦ1-200
Редуктор КЦ1-200
Дані мультипліатори відносяться до редукторів конічно-циліндричного двоступінчастого типу, застосовують їх у виробах підйомно-транспортного обладнання, а також для різних ремонтно-експлуатаційних потреб вже діючого обладнання. Агрегат необхідний збільшення крутного моменту, а частоту обертання різних машин чи механізмів у своїй зменшити
Редуктор КЦ1-200 припускають обертання валів в обидві сторони, частота обертання вхідного валу не повинна перевищувати 1500 об/хв, а окружна швидкість зубчастих передач повинна бути не більше 12 м/с.
Редуктор КЦ1-200 розрахований на те, що працювати він буде безперервно, навантаження може бути при цьому як постійним, так і змінним, одного напрямку і реверсивним. Працювати може постійно, але з періодичними зупинками.
Кліматичні умови для роботи обладнання КЦ1-200 можуть бути досить різноманітними, це може бути район з помірним кліматом, з тропічним (сухим та вологим).
Зазначимо, що значення крутного моменту, що допускається, на вихідному валу у всіх таблицях наведені за певних умов - спокійна безперервна робота редуктора КЦ1-200 протягом восьми годин на добу. Якщо ж умови роботи змінені, необхідно запровадити поправний коефіцієнт. Якщо працювати з іншими числами обертів вхідного валу, щоб знайти всі значення параметрів, необхідно використовувати метод інтерполяції.
Технічні характеристики: редуктор КЦ1-200:
| Передавальне число | Момент крутіння на виході, Нм | Швидкість обертання вхідного валу, об/хв | Навантаження на валах, Н | Вага пристрою, кг | |
| швидкохідний | тихохідний | ||||
| 6.3 | 560 | 1500 | 600 | 5150 | 185 |
| 10 | 900 | 5600 | |||
| 14 | 900 | ||||
| 20 | 1200 | 6150 | |||
| 28 | 560 | 1400 | 6500 | ||
Редуктор КЦ1-200: габаритні та приєднувальні розміри

| AWT | A | A1 | B | H | H1 | h | h1 | L | L1 | L2 | L3 | L4 | d | |
| 200 | 375 | 250 | 300 | 435 | 225 | 20 | - | 900 | 480 | 85 | 460 | 247 | 17 | 4 |
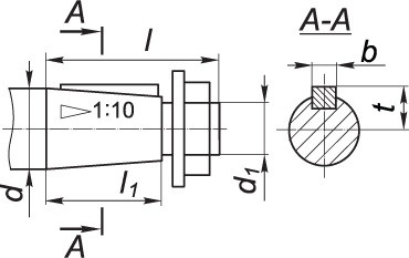
Розміри швидкохідного (конічного) валу редуктора КЦ1-200:

| d | d1 | l | l1 | b | t |
| 40 | М24×2 | 110 | 82 | 10 | 20.9 |
Розміри тихохідного (циліндричного) валу редуктора КЦ1-200:

| d2 | l2 | b1 | t1 |
| 45 | 80 | 14 | 48.5 |
Розміри тихохідного валу (зубчастої напівмуфти) редуктора КЦ1-200:

| b | d | d1 | L | l | l1 | Зачеплення | |
| m | z | ||||||
| 20 | 126 | 80 | 219 | 14 | 45 | 3 | 40 |
Редуктор КЦ1-200 має 3 варіанти складання, які показані нижче:

Редуктор КЦ1-200 умовне позначення:
КЦ1-200-28-41Ц-У3, де:
КЦ1 – тип редуктора;
200 - міжосьова відстань, мм;
28 - номінальне передавальне число;
41 - варіант складання;
Ц – циліндричний кінець вихідного валу;
У3 - кліматичне виконання та категорія розміщення за ГОСТ 15150-69
Важливо. Виконання кінця тихохідного валу може бути циліндричним – Ц або у вигляді частини зубчастої муфти – М.
Редуктор КЦ1-200
Відгуків про цей товар ще не було.
Немає відгуків про цей товар, станьте першим, залиште свій відгук.
Немає питань про даний товар, станьте першим і задайте своє питання.