Редуктор КЦ1-500
Редуктор КЦ1-500
Дані механізми відносяться до редукторів конічно-циліндричного двоступінчастого типу, редуктор КЦ1-500 необхідний для застосування його у виробах підйомно-транспортного обладнання, а також для ремонтно-експлуатаційних потреб вже діючого обладнання. Редуктор КЦ1-500 покликаний збільшувати момент, що крутить, а частоту обертання різних машин або механізмів при цьому зменшувати
Редуктор КЦ1-500 передбачає обертання валів в обидві сторони, частота обертання вхідного валу не повинна перевищувати 1500 об/хв, а окружна швидкість зубчастих передач повинна бути не більше 12 м/с.
Агрегат розрахований на те, що працювати він буде безперервно, навантаження може бути при цьому як постійним, так і змінним, одного напрямку і реверсивним. Працювати редуктор типу КЦ1-500 може постійно, але з періодичними зупинками.
Кліматичні умови для роботи редуктора КЦ1-500 можуть бути досить різноманітними, це може бути район з помірним кліматом, з тропічним (сухим та вологим).
Зазначимо, що значення крутного моменту, що допускається, на вихідному валу у всіх таблицях наведені за певних умов - спокійна безперервна робота редуктора КЦ1-500 протягом восьми годин на добу. Якщо ж умови роботи змінені, необхідно запровадити поправний коефіцієнт. Якщо працювати з іншими числами обертів вхідного валу, щоб знайти всі значення параметрів, необхідно використовувати метод інтерполяції.
Технічні характеристики: редуктор КЦ1-500:
| Передавальне число | Момент крутіння на виході, Нм | Швидкість обертання вхідного валу, об/хв | Навантаження на валах, Н | Вага пристрою, кг | |
| швидкохідний | тихохідний | ||||
| 6.3 | 5700 | 1500 | 8000 | 30000 | 1740 |
| 10 | 9000 | 25000 | |||
| 14 | 10000 | ||||
| 20 | 8250 | 13200 | 28000 | ||
| 28 | 7100 | 155000 | 30000 | ||
Редуктор КЦ1-500: габаритні та приєднувальні розміри

| AWT | A | A1 | B | H | H1 | h | h1</p> | L | L1 | L2 | L3 | L4 | d | n |
| 500 | 990 | 550 | 630 | 877 | 400 | 40 | 100 | 2085 | 1160 | 250 | 1030 | 544 | 33 | 8 |
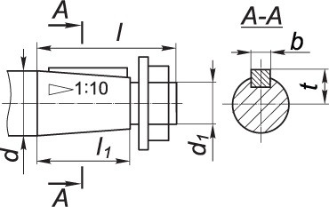
Розміри швидкохідного (конічного) валу редуктора КЦ1-500:

| d | d1 | l | l1 | b | t |
| 90 | М64×4 | 170 | 130 | 22 | 46.8 |
Розміри тихохідного (циліндричного) валу редуктора КЦ1-500:

| d2 | l2 | b1 | t1 |
| 110 | 210 | 28 | 116 |
Розміри тихохідного валу (зубчастої напівмуфти) редуктора КЦ1-500:

| b | d | d1 | L | l | l1 | Зачеплення | |
| m | z | ||||||
| 35 | 232 | 140 | 422 | 14 | 60 | 4 | 56 |
Редуктор КЦ1-500 має 3 варіанти складання, які показані нижче:

Редуктор КЦ1-500 умовне позначення:
КЦ1-500-28-41Ц-У3, де:
КЦ1 - тип редуктора;
500 - міжосьова відстань, мм;
28 - номінальне передавальне число;
41 - варіант складання;
Ц – циліндричний кінець вихідного валу;
У3 - кліматичне виконання та категорія розміщення за ГОСТ 15150-69
Важливо. Виконання кінця тихохідного валу може бути циліндричним – Ц або у вигляді частини зубчастої муфти – М.
Редуктор КЦ1-500
Відгуків про цей товар ще не було.
Немає відгуків про цей товар, станьте першим, залиште свій відгук.
Немає питань про даний товар, станьте першим і задайте своє питання.