Редуктор КЦ2-1000
Редуктори типу КЦ2-1000
Редуктори типу КЦ2-1000 відносяться до певної групи редукторів, які необхідні для їх використання у виробах підйомно-транспортного обладнання, а також для ремонтно-експлуатаційних потреб працюючого обладнання та збільшення крутного моменту, при цьому зменшуючи частоту обертання різних машин і механізмів.
Редуктори даного типу дозволяють обертання валів в обидві сторони, частота обертання вхідного валу не повинна перевищувати 1500 об/хв, а окружна швидкість зубчастих передач - не більше 12 м/c. Дані редуктори можуть працювати в безперервному режимі, навантаження може бути постійним або змінним, напрямок може відрізнятися - бути реверсивним або в одну сторону.
Працювати редуктор КЦ2-1000 може або постійно, або із зупинками через певні періоди. Клімат, в якому можуть працювати редуктори КЦ2-1000, може бути помірним або сухим і вологим тропічним.
Зазначимо, що значення крутного моменту, що допускається, на вихідному валу в таблиці наведені в умовах, що робота редуктора КЦ2-1000 ведеться безперервна і спокійна, триває вона 8 год на добу. Якщо розглядати інші умови роботи, важливо враховувати коефіцієнт поправки.
Для мастила застосовується олія ІРП-150 ТУ 38-101451-78 (-10…+50°С), ІТП-200 ТУ 38-101292-79 (-10…+50°С), ІТП-300 ТУ 38-101292- 79 (-5 ... +50 ° С), ТАП-15В ГОСТ 23652-79 (-20 ... +50 ° С), ТСп-10 ГОСТ 23652-79 (-40 ... +25 ° С). У дужках вказано температуру навколишнього середовища.
Технічні характеристики редуктора КЦ2-1000:
| Передавальне число | Момент кручення на виході, Нм в залежності від швидкості обертання валу на вході, об/хв | Навантаження, що діє на валу, Н | Вага пристрою, кг | |||
| 600 | 750 | 1500 | швидкохідний | тихохідний | ||
| 28 | 16500 | 15000 | 14500 | 1000 | 33500 | 2658 |
| 45 | 20000 | 19000 | 18500 | 1700 | 28000 | |
| 71 | 16500 | 3300 | 33500 | |||
| 112 | 15500 | 4100 | 35500 | |||
| 180 | 4500 | |||||
Габаритні та приєднувальні розміри редуктора КЦ2-1000:

| AWT | AWП | A | A1 | B | H | H1 | h | h1 | L | L1 | L2 | L3 | L4 | d | n |
| 600 | 400 | 1530 | 600 | 690 | 956 | 400 | 40 | 200 | 2482 | 1700 | 165 | 848 | 615 | 33 | 10 |
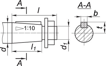
Розміри швидкохідного (конічного) валу редуктора КЦ2-1000:

| d | d1 | l | l1 | b | t |
| 60 | М42×3 | 140 | 105 | 16 | 31.4 |
Розміри тихохідного (циліндричного) валу редуктора КЦ2-1000

| d2 | l2 | b1 | t1 |
| 130 | 250 | 32 | 137 |
Розміри тихохідного валу (зубчастої напівмуфти) редуктора КЦ2-1000:

| b | d | d1 | L | l | l1 | Зачеплення | |
| m | z | ||||||
| 35 | 288 | 180 | 481 | 20 | 75 | 6 | 46 |
Редуктор КЦ2-1000 має 3 варіанти складання, які показані нижче:

Умовне позначення під час замовлення редуктора типу КЦ2-1000:
КЦ2-1000-75-41Ц-У3, де:
КЦ2 - тип редуктора;
1000 - міжосьова відстань, мм;
75 - номінальне передавальне число;
41 - варіант складання;
Ц – циліндричний кінець вихідного валу;
У3 - кліматичне виконання та категорія розміщення за ГОСТ 15150-69
Зазначимо, що виконання кінця тихохідного валу може бути циліндричним - Ц або у вигляді частини зубчастої муфти - М.
Редуктор КЦ2-1000
Відгуків про цей товар ще не було.
Немає відгуків про цей товар, станьте першим, залиште свій відгук.
Немає питань про даний товар, станьте першим і задайте своє питання.