Редуктор КЦ2-1000-112
Редуктор КЦ2-1000-112
Триступінчастий редуктор КЦ2-1000-112 - це надійний і популярний агрегат, який відноситься до горизонтальних пристроїв з циліндричним типом передачі. Принцип роботи даного механізму полягає в перетворенні монети, що крутить, і частоти обертання.
Вали агрегату обертаються в будь-якому напрямку, що дозволяє використовувати редуктор із реверсивним навантаженням. Частота обертання вхідного валу має перевищувати 1500 оборотів на хвилину. Редуктор має невеликі розміри, але при цьому видає високі коефіцієнт продуктивності, працює стабільно і без поломок. Завдяки таким особливостям він дуже популярний. Такі редуктори не люблять запилене середовище.
Для замовлення редуктора ви можете зателефонувати за телефоном, вказаним на сайті. Наші менеджери допоможуть вам з вибором пристрою, а також підберуть для вас зручний спосіб доставки та оплати. Співпрацюючи з компанією «Промпривод», ви отримуєте низку переваг:
- Усі редуктори найвищої якості.
- Максимально швидка обробка та виконання замовлень.
- Професійне консультування.
- Унікальний паспорт для кожного пристрою.
- Доставка по всіх куточках України, будь-яким зручним для вас способом.
Габаритні і приєднувальні розміри редуктора КЦ2-1000:

Технічні характеристики редуктора КЦ2-1000:
| Передавальне число | Момент кручення на виході, Нм в залежності від швидкості обертання валу на вході, об/хв | Навантаження, що діє на валу, Н | Вага пристрою, кг | |||
| 600 | 750 | 1500 | швидкохідний | тихохідний | ||
| 112 | 15500 | 4100 | 35500 | 2658 | ||
| AWT | AWП | A | A1 | B | H | H1 | h | h1 | L | L1 | L2 | L3 | L4 | d | n |
| 600 | 400 | 1530 | 600 | 690 | 956 | 400 | 40 | 200 | 2482 | 1700 | 165 | 848 | 615 | 33 | 10 |
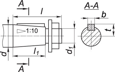
Розміри швидкохідного (конічного) валу редуктора КЦ2-1000:

| d | d1 | l | l1 | b | t |
| 60 | М42×3 | 140 | 105 | 16 | 31.4 |
Розміри тихохідного (циліндричного) валу редуктора КЦ2-1000:

| d2 | l2 | b1 | t1 |
| 130 | 250 | 32 | 137 |
Розміри тихохідного валу (зубчастої напівмуфти) редуктора КЦ2-1000:

| b | d | d1 | L | l | l1 | Зачеплення | |
| m | z | ||||||
| 35 | 288 | 180 | 481 | 20 | 75 | 6 | 46 |
Редуктор КЦ2-1000 має 3 варіанти складання, які показані нижче:

Умовне позначення при замовленні редуктора типу КЦ2-1000:
Зазначимо, що виконання кінця тихохідного вала може бути циліндричним - Ц або у вигляді частини зубчастої муфти - М.
Редуктор КЦ2-1000-112
Відгуків про цей товар ще не було.
Немає відгуків про цей товар, станьте першим, залиште свій відгук.
Немає питань про даний товар, станьте першим і задайте своє питання.
