Редуктор КЦ2-1000-28
Редуктор КЦ2-1000-28
Редуктор КЦ2-1000-28 – це пристрій з циліндричним типом передачі. Дані редуктори перетворюють показники крутного моменту та частоти обертання валу. В основному такі пристрої встановлюють на підйомно-транспортне, а також обладнання кранове.
Даний агрегат продуктивно працює з постійним та змінним навантаженням. Також можливість обертати вали в обидві сторони, дозволяє експлуатувати пристрій з реверсивним навантаженням. У цьому частота вхідного валу має перевищувати 1500 оборотів за хвилину. Можлива безперервна робота протягом доби, так само за бажанням редуктор можна зупиняти.
Для замовлення редуктора ви можете зателефонувати за телефоном, вказаним на сайті. Наші менеджери допоможуть вам з вибором пристрою, а також підберуть для вас зручний спосіб доставки та оплати. Співпрацюючи з компанією «Промпривод», ви отримуєте низку переваг:
- Усі редуктори найвищої якості.
- Максимально швидка обробка та виконання замовлень.
- Професійне консультування.
- Унікальний паспорт для кожного пристрою.
- Доставка по всіх куточках України, будь-яким зручним для вас способом.
Габаритні і приєднувальні розміри редуктора КЦ2-1000:

Технічні характеристики редуктора КЦ2-1000:
| Передавальне число | Момент кручення на виході, Нм в залежності від швидкості обертання валу на вході, об/хв | Навантаження, що діє на валу, Н | Вага пристрою, кг | |||
| 600 | 750 | 1500 | швидкохідний | тихохідний | ||
| 28 | 16500 | 15000 | 14500 | 1000 | 33500 | 2658 |
| AWT | AWП | A | A1 | B | H | H1 | h | h1 | L | L1 | L2 | L3 | L4 | d | n |
| 600 | 400 | 1530 | 600 | 690 | 956 | 400 | 40 | 200 | 2482 | 1700 | 165 | 848 | 615 | 33 | 10 |
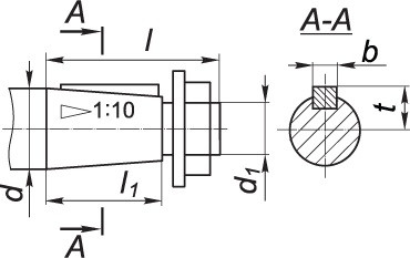
Розміри швидкохідного (конічного) валу редуктора КЦ2-1000:

| d | d1 | l | l1 | b | t |
| 60 | М42×3 | 140 | 105 | 16 | 31.4 |
Розміри тихохідного (циліндричного) валу редуктора КЦ2-1000:

| d2 | l2 | b1 | t1 |
| 130 | 250 | 32 | 137 |
Розміри тихохідного валу (зубчастої напівмуфти) редуктора КЦ2-1000:

| b | d | d1 | L | l | l1 | Зачеплення | |
| m | z | ||||||
| 35 | 288 | 180 | 481 | 20 | 75 | 6 | 46 |
Редуктор КЦ2-1000 має 3 варіанти складання, які показані нижче:

Умовне позначення при замовленні редуктора типу КЦ2-1000:

Зазначимо, що виконання кінця тихохідного вала може бути циліндричним - Ц або у вигляді частини зубчастої муфти - М.
Редуктор КЦ2-1000-28
Відгуків про цей товар ще не було.
Немає відгуків про цей товар, станьте першим, залиште свій відгук.
Немає питань про даний товар, станьте першим і задайте своє питання.