Редуктор КЦ2-1000-45
Редуктор КЦ2-1000-45
Редуктор КЦ2-1000-45 відноситься до триступінчастих конічно-циліндричних пристроїв, які встановлюють на приводи кранового обладнання. Редуктори встановлюють для перетворення показників моменту, що крутить, і частоти обертання валу в приводах, тим самим забезпечуючи безперебійну роботу обладнання.
Навантаження на редуктор може бути будь-яким: пряме, постійне, періодичне. Також завдяки тому, що вали пристрою можуть обертатися в різному напрямку, можна використовувати реверсивне навантаження. Швидкість вхідного валу повинна опускатися нижче, ніж 12 м/с. Такі пристрої комфортно почуваються в помірному і вологому тропічному кліматі.
Для замовлення редуктора ви можете зателефонувати за телефоном, вказаним на сайті. Наші менеджери допоможуть вам з вибором пристрою, а також підберуть для вас зручний спосіб доставки та оплати. Співпрацюючи з компанією «Промпривод», ви отримуєте низку переваг:
- Усі редуктори найвищої якості.
- Максимально швидка обробка та виконання замовлень.
- Професійне консультування.
- Унікальний паспорт для кожного пристрою.
- Доставка по всіх куточках України, будь-яким зручним для вас способом.
Габаритні і приєднувальні розміри редуктора КЦ2-1000:

Технічні характеристики редуктора КЦ2-1000:
| Передавальне число | Момент кручення на виході, Нм в залежності від швидкості обертання валу на вході, об/хв | Навантаження, що діє на валу, Н | Вага пристрою, кг | |||
| 600 | 750 | 1500 | швидкохідний | тихохідний | ||
| 45 | 20000 | 19000 | 18500 | 1700 | 28000 | 2658 |
| AWT | AWП | A | A1 | B | H | H1 | h | h1 | L | L1 | L2 | L3 | L4 | d | n |
| 600 | 400 | 1530 | 600 | 690 | 956 | 400 | 40 | 200 | 2482 | 1700 | 165 | 848 | 615 | 33 | 10 |
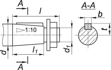
Розміри швидкохідного (конічного) валу редуктора КЦ2-1000:

| d | d1 | l | l1 | b | t |
| 60 | М42×3 | 140 | 105 | 16 | 31.4 |
Розміри тихохідного (циліндричного) валу редуктора КЦ2-1000:

| d2 | l2 | b1 | t1 |
| 130 | 250 | 32 | 137 |
Розміри тихохідного валу (зубчастої напівмуфти) редуктора КЦ2-1000:

| b | d | d1 | L | l | l1 | Зачеплення | |
| m | z | ||||||
| 35 | 288 | 180 | 481 | 20 | 75 | 6 | 46 |
Редуктор КЦ2-1000 має 3 варіанти складання, які показані нижче:

Умовне позначення при замовленні редуктора типу КЦ2-1000:

Зазначимо, що виконання кінця тихохідного вала може бути циліндричним - Ц або у вигляді частини зубчастої муфти - М.
Редуктор КЦ2-1000-45
Відгуків про цей товар ще не було.
Немає відгуків про цей товар, станьте першим, залиште свій відгук.
Немає питань про даний товар, станьте першим і задайте своє питання.