Редуктор КЦ2-1300
Редуктори типу КЦ2-1300
Редуктори типу КЦ2-1300 відносяться до певної групи редукторів, які необхідні для їх використання у виробах підйомно-транспортного обладнання, а також для ремонтно-експлуатаційних потреб працюючого обладнання і для збільшення крутного моменту, при цьому зменшуючи частоту обертання різних машин і механізмів.
Обладнання даного типу дозволяє обертання валів в обидві сторони, частота обертання вхідного валу не повинна перевищувати 1500 об/хв, а окружна швидкість зубчастих передач - не більше 12 м/c. Дані редуктори можуть працювати в безперервному режимі, навантаження може бути постійним або змінним, напрямок може відрізнятися - бути реверсивним або в одну сторону.
Працювати редуктор КЦ2-1300 може постійно, або з зупинками через певні періоди. Клімат, в якому можуть працювати редуктори КЦ2-1300, може бути помірним або сухим і вологим тропічним.
Зазначимо, що значення крутного моменту, що допускається, на вихідному валу в таблиці наведені в умовах, що робота редуктора КЦ2-1300 ведеться безперервна і спокійна, триває вона 8 год на добу. Якщо розглядати інші умови роботи, важливо враховувати коефіцієнт поправки.
Для мастила застосовується олія ІРП-150 ТУ 38-101451-78 (-10…+50°С), ІТП-200 ТУ 38-101292-79 (-10…+50°С), ІТП-300 ТУ 38-101292- 79 (-5 ... +50 ° С), ТАП-15В ГОСТ 23652-79 (-20 ... +50 ° С), ТСп-10 ГОСТ 23652-79 (-40 ... +25 ° С). У дужках вказано температуру навколишнього середовища.
Технічні характеристики редуктора КЦ2-1300:
| Передавальне число | Момент кручення на виході, Нм в залежності від швидкості обертання валу на вході, об/хв | Навантаження, що діє на валу, Н | Вага пристрою, кг | |||
| 600 | 750 | 1500 | швидкохідний | тихохідний | ||
| 28 | 28000 | 25800 | 24300 | 8000 | 73000 | 5110 |
| 45 | 38700 | 37500 | 77500 | |||
| 71 | 38700 | 37500 | 12200 | 92500 | ||
| 112 | 37500 | 14500 | ||||
| 180 | 16000 | |||||
Габаритні та приєднувальні розміри редуктора КЦ2-1300:

| AWT | AWП | A | A1 | B | H | H1 | h | h1 | L | L1 | L2 | L3 | L4 | d | n |
| 800 | 500 | 2020 | 740 | 850 | 1282 | 530 | 50 | 240 | 3178 | 2200 | 220 | 1030 | 790 | 39 | 10 |
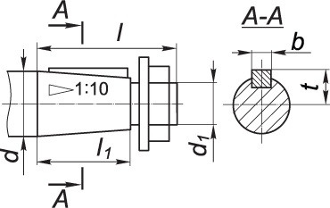
Розміри швидкохідного (конічного) валу редуктора КЦ2-1300:

| d | d1 | l | l1 | b | t |
| 90 | М64×4 | 170 | 130 | 22 | 46.8 |
Розміри тихохідного (циліндричного) валу редуктора КЦ2-1300:

| d2 | l2 | b1 | t1 |
| 190 | 350 | 45 | 200 |
Розміри тихохідного валу (зубчастої напівмуфти) редуктора КЦ2-1300:

| b | d | d1 | L | l | l1 | Зачеплення | |
| m | z | ||||||
| 40 | 348 | 215 | 605 | 25 | 85 | 6 | 56 |
Редуктор КЦ2-1300 має 3 варіанти складання, які показані нижче:

Умовне позначення під час замовлення редуктора типу КЦ2-1300:
КЦ2-1300-75-41Ц-У3, де:
КЦ2 – тип редуктора;
1300 - міжосьова відстань, мм;
75 - номінальне передавальне число;
41 - варіант складання;
Ц – циліндричний кінець вихідного валу;
У3 - кліматичне виконання та категорія розміщення за ГОСТ 15150-69
Зазначимо, що виконання кінця тихохідного валу може бути циліндричним - Ц або у вигляді частини зубчастої муфти - М.
Редуктор КЦ2-1300
Відгуків про цей товар ще не було.
Немає відгуків про цей товар, станьте першим, залиште свій відгук.
Немає питань про даний товар, станьте першим і задайте своє питання.