Редуктор КЦ2-1300-180
Редуктор КЦ2-1300-180
Редуктор КЦ2-1300-180 відноситься до триступінчастих горизонтальних пристроїв з типом циліндричним передачі. Такі пристрої дуже популярні через свою надійність і довгостроковий термін служби. Основне завдання редуктора - перетворення крутного моменту і частоти обертання валу в приводах різного обладнання.
Редуктори дуже прості в експлуатації, до того ж їх застосовують у помірному та тропічному кліматі. Вали такого пристрою обертаються в обох напрямках, без особливої переваги. Частота обертання вхідного валу вбирається у 1500 обертів на хвилину. Ідеальне середовище для редуктора – не агресивне і в міру запилене.
Для замовлення редуктора ви можете зателефонувати за телефоном, вказаним на сайті. Наші менеджери допоможуть вам з вибором пристрою, а також підберуть для вас зручний спосіб доставки та оплати. Співпрацюючи з компанією «Промпривод», ви отримуєте низку переваг:
- Усі редуктори найвищої якості.
- Максимально швидка обробка та виконання замовлень.
- Професійне консультування.
- Унікальний паспорт для кожного пристрою.
- Доставка по всіх куточках України, будь-яким зручним для вас способом.
Габаритні і приєднувальні розміри редуктора КЦ2-1300:

Технічні характеристики редуктора КЦ2-1300:
| Передавальне число | Момент кручення на виході, Нм в залежності від швидкості обертання валу на вході, об/хв | Навантаження, що діє на валу, Н | Вага пристрою, кг | |||
| 600 | 750 | 1500 | швидкохідний | тихохідний | ||
| 180 | 37500 | 16000 | 92500 | 5110 | ||
| AWT | AWП | A | A1 | B | H | H1 | h | h1 | L | L1 | L2 | L3 | L4 | d | n |
| 800 | 500 | 2020 | 740 | 850 | 1282 | 530 | 50 | 240 | 3178 | 2200 | 220 | 1030 | 790 | 39 | 10 |
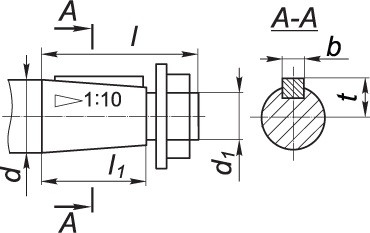
Розміри швидкохідного (конічного) валу редуктора КЦ2-1300:

| d | d1 | l | l1 | b | t |
| 90 | М64×4 | 170 | 130 | 22 | 46.8 |
Розміри тихохідного (циліндричного) валу редуктора КЦ2-1300:

| d2 | l2 | b1 | t1 |
| 190 | 350 | 45 | 200 |
Розміри тихохідного валу (зубчастої напівмуфти) редуктора КЦ2-1300:

| b | d | d1 | L | l | l1 | Зачеплення | |
| m | z | ||||||
| 40 | 348 | 215 | 605 | 25 | 85 | 6 | 56 |
Редуктор КЦ2-1300 має 3 варіанти складання, які показані нижче:

Умовне позначення при замовленні редуктора типу КЦ2-1300:

Зазначимо, що виконання кінця тихохідного вала може бути циліндричним - Ц або у вигляді частини зубчастої муфти - М.
Редуктор КЦ2-1300-180
Відгуків про цей товар ще не було.
Немає відгуків про цей товар, станьте першим, залиште свій відгук.
Немає питань про даний товар, станьте першим і задайте своє питання.