Редуктор КЦ2-500-28
Редуктор КЦ2-500-28
Редуктор КЦ2-500-28 - це триступінчастий пристрій із циліндричним типом передачі. Такі редуктори встановлюють приводи різного кранового і підйомного обладнання для зміни параметрів крутного моменту і частоти обертів валу.
Редуктори дуже прості в експлуатації, до того ж їх застосовую у помірному та тропічному кліматі. Вали такого пристрою обертаються в обох напрямках, без особливої переваги. Частота обертання вхідного валу вбирається у 1500 обертів на хвилину. Такі редуктори не люблять запилене середовище.
Компанія «Промпривод» понад 10 років постачає редуктори та інші пристрої на ринки України. Наша компанія заробила собі репутацію надійного постачальника якісної продукції. Співпрацюючи з нами, ви отримаєте безліч переваг, таких як:
- Гарантія та ціна від виробника.
- Професійне обслуговування.
- Унікальний паспорт для кожного пристрою.
- Швидка обробка замовлень.
- Доставка по всій Україні.
Габаритні та приєднувальні розміри редуктора КЦ2-500:

Технічні характеристики редуктора КЦ2-500:
| Передавальне число | Момент кручення на виході, Нм в залежності від швидкості обертання валу на вході, об/хв | Навантаження, що діє на валу, Н | Вага пристрою, кг | |||
| 600 | 750 | 1500 | швидкохідний | тихохідний | ||
| 28 | 2300 | 2000 | 1900 | 600 | 7500 | 420 |
| AWT | AWП | A | A1 | B | H | H1 | h | h1 | L | L1 | L2 | L3 | L4 | d | n |
| 300 | 200 | 705 | 300 | 350 | 600 | 315 | 25 | - | 1300 | 830 | 90 | 460 | 327 | 22 | 6 |
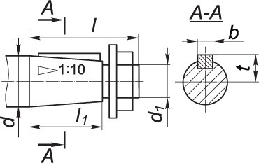
Розміри швидкохідного (конічного) валу редуктора КЦ2-500:

| d | d1 | l | l1 | b | t |
| 40 | М24×2 | 110 | 82 | 10 | 20.9 |
Розміри тихохідного (циліндричного) валу редуктора КЦ2-500:

| d2 | l2 | b1 | t1 |
| 70 | 140 | 20 | 74.5 |
Розміри тихохідного валу (зубчастої напівмуфти) редуктора КЦ2-500:

| b | d | d1 | L | l | l1 | Зачеплення | |
| m | z | ||||||
| 25 | 174 | 110 | 270 | 14 | 55 | 3 | 56 |
Редуктор КЦ2-500 має 3 варіанти складання, які показані нижче:

Умовне позначення під час замовлення редуктора типу КЦ2-500:

Зазначимо, що виконання кінця тихенькохідного вала може бути циліндричним - Ц або у формі частини зубчастої муфти - М.
Редуктор КЦ2-500-28
Відгуків про цей товар ще не було.
Немає відгуків про цей товар, станьте першим, залиште свій відгук.
Немає питань про даний товар, станьте першим і задайте своє питання.