Редуктор КЦ2-500-45
Редуктор КЦ2-500-45
Редуктор КЦ2-500-45 є триступінчастим пристроєм із циліндричним типом передачі. Такі пристрої дуже популярні через свою надійність і довгостроковий термін служби. Основне завдання редуктора - перетворення крутного моменту і частоти обертання валу в приводах різного обладнання.
Специфіка агрегату в тому, що вали можуть обертатися в обох напрямках, що дозволяє експлуатувати його з реверсивним навантаженням. Також редуктор безперебійно працює як із зупинками, так і з постійним навантаженням протягом доби. Ідеальне середовище не агресивне і в міру запилене.
Компанія «Промпривод» понад 10 років постачає редуктори та інші пристрої на ринки України. Наша компанія заробила собі репутацію надійного постачальника якісної продукції. Співпрацюючи з нами, ви отримаєте безліч переваг, таких як:
- Гарантія та ціна від виробника.
- Професійне обслуговування.
- Унікальний паспорт для кожного пристрою.
- Швидка обробка замовлень.
- Доставка по всій Україні.
Габаритні і приєднувальні розміри редуктора КЦ2-500:

Технічні характеристики редуктора КЦ2-500:
| Передавальне число | Момент кручення на виході, Нм в залежності від швидкості обертання валу на вході, об/хв | Навантаження, що діє на валу, Н | Вага пристрою, кг | |||
| 600 | 750 | 1500 | швидкохідний | тихохідний | ||
| 45 | 2300 | 900 | 8500 | 420 | ||
| AWT | AWП | A | A1 | B | H | H1 | h | h1 | L | L1 | L2 | L3 | L4 | d | n |
| 300 | 200 | 705 | 300 | 350 | 600 | 315 | 25 | - | 1300 | 830 | 90 | 460 | 327 | 22 | 6 |
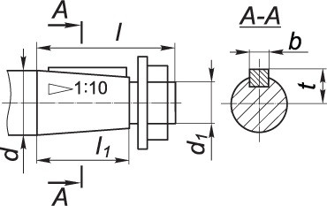
Розміри швидкохідного (конічного) валу редуктора КЦ2-500:

| d | d1 | l | l1 | b | t |
| 40 | М24×2 | 110 | 82 | 10 | 20.9 |
Розміри тихохідного (циліндричного) валу редуктора КЦ2-500:

| d2 | l2 | b1 | t1 |
| 70 | 140 | 20 | 74.5 |
Розміри тихохідного валу (зубчастої напівмуфти) редуктора КЦ2-500:

| b | d | d1 | L | l | l1 | Зачеплення | |
| m | z | ||||||
| 25 | 174 | 110 | 270 | 14 | 55 | 3 | 56 |
Редуктор КЦ2-500 має 3 варіанти складання, які показані нижче:

Умовне позначення при замовленні редуктора типу КЦ2-500:

Зазначимо, що виконання кінця тихохідного валу може бути циліндричним - Ц або у вигляді частини зубчастої муфти - М.
Редуктор КЦ2-500-45
Відгуків про цей товар ще не було.
Немає відгуків про цей товар, станьте першим, залиште свій відгук.
Немає питань про даний товар, станьте першим і задайте своє питання.