Редуктор КЦ2-750
Редуктори типу КЦ2-750
Редуктори типу КЦ2-750 відносяться до певної групи редукторів, які необхідні для їх використання у виробах підйомно-транспортного обладнання, а також для ремонтно-експлуатаційних потреб працюючого обладнання і для збільшення крутного моменту, при цьому зменшуючи частоту обертання різних машин і механізмів.
Редуктори даного типу дозволяють обертання валів в обидві сторони, частота обертання вхідного валу не повинна перевищувати 1500 об/хв, а окружна швидкість зубчастих передач - не більше 12 м/c. Дані редуктори можуть працювати в безперервному режимі, навантаження може бути постійним або змінним, напрямок може відрізнятися - бути реверсивним або в одну сторону.
Працювати редуктор КЦ2-750 може або постійно, або із зупинками через певні періоди. Клімат, в якому можуть працювати редуктори КЦ2-750, може бути помірним або сухим і вологим тропічним.
Зазначимо, що значення крутного моменту, що допускається, на вихідному валу в таблиці наведені в умовах, що робота редуктора КЦ2-750 ведеться безперервна і спокійна, триває вона 8 год на добу. Якщо розглядати інші умови роботи, важливо враховувати коефіцієнт поправки.
Для мастила застосовується олія ІРП-150 ТУ 38-101451-78 (-10…+50°С), ІТП-200 ТУ 38-101292-79 (-10…+50°С), ІТП-300 ТУ 38-101292- 79 (-5 ... +50 ° С), ТАП-15В ГОСТ 23652-79 (-20 ... +50 ° С), ТСп-10 ГОСТ 23652-79 (-40 ... +25 ° С). У дужках вказано температуру навколишнього середовища.
Технічні характеристики редуктора КЦ2-750:
| Передавальне число | Момент кручення на виході, Нм в залежності від швидкості обертання валу на вході, об/хв | Навантаження, що діє на валу, Н | Вага пристрою, кг | |||
| 600 | 750 | 1500 | швидкохідний | тихохідний | ||
| 28 | 5800 | 5300 | 5000 | 1200 | 18000 | 1240 |
| 45 | 8450 | 8060 | 7750 | 10600 | ||
| 71 | 6980 | 7000 | 2000 | 15500 | ||
| 112 | 6750 | 6700 | 2300 | 16000 | ||
| 180 | 2500 | |||||
Габаритні та приєднувальні розміри редуктора КЦ2-750:

| AWT | AWП | A | A1 | B | H | H1 | h | h1 | L | L1 | L2 | L3 | L4 | d | n |
| 450 | 300 | 1120 | 470 | 550 | 765 | 335 | 35 | 130 | 1883 | 1260 | 120 | 625 | 464 | 33 | 10 |
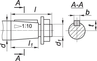
Розміри швидкохідного (конічного) валу редуктора КЦ2-750:

| d | d1 | l | l1 | b | t |
| 50 | М36×3 | 110 | 82 | 12 | 26 |
Розміри тихохідного (циліндричного) валу редуктора КЦ2-750:

| d2 | l2 | b1 | t1 |
| 90 | 170 | 25 | 95 |
Розміри тихохідного валу (зубчастої напівмуфти) редуктора КЦ2-750:

| b | d | d1 | L | l | l1 | Зачеплення | |
| m | z | ||||||
| 35 | 232 | 140 | 382 | 14 | 60 | 4 | 56 |
Редуктор КЦ2-750 має 3 варіанти складання, які показані нижче:

Умовне позначення під час замовлення редуктора типу КЦ2-750:
КЦ2-750-75-41Ц-У3, де:
КЦ2 – тип редуктора;
750 - міжосьова відстань, мм;
75 - номінальне передавальне число;
41 - варіант складання;
Ц – циліндричний кінець вихідного валу;
У3 - кліматичне виконання та категорія розміщення за ГОСТ 15150-69
Зазначимо, що виконання кінця тихохідного валу може бути циліндричним - Ц або у вигляді частини зубчастої муфти - М.
Редуктор КЦ2-750
Відгуків про цей товар ще не було.
Немає відгуків про цей товар, станьте першим, залиште свій відгук.
Немає питань про даний товар, станьте першим і задайте своє питання.