Редуктор КЦ2-750-28
Редуктор КЦ2-750-28
Горизонтальний редуктор КЦ2-750-28 є триступінчастим пристроєм із циліндричним типом передачі. Дані редуктори встановлюють разом із приводами на обладнання крана. Завдання пристрою полягає в перетворенні моменту, що крутить, і частоти обертання валу в приводах.
Редуктор має невеликі розміри, але при цьому видає високі коефіцієнт продуктивності, працює стабільно і без поломок. Завдяки таким особливостям він дуже популярний. Вали агрегату обертаються в будь-якому напрямку, що дозволяє використовувати редуктор із реверсивним навантаженням. Частота обертання вхідного валу має перевищувати 1500 оборотів на хвилину.
Компанія «Промпривод» понад 10 років постачає редуктори та інші пристрої на ринки України. Наша компанія заробила собі репутацію надійного постачальника якісної продукції. Співпрацюючи з нами, ви отримаєте безліч переваг, таких як:
- Гарантія та ціна від виробника.
- Професійне обслуговування.
- Унікальний паспорт для кожного пристрою.
- Швидка обробка замовлень.
- Доставка по всій Україні.
Габаритні і приєднувальні розміри редуктора КЦ2-750:

Технічні характеристики редуктора КЦ2-750:
| Передавальне число | Момент кручення на виході, Нм в залежності від швидкості обертання валу на вході, об/хв | Навантаження, що діє на валу, Н | Вага пристрою, кг | |||
| 600 | 750 | 1500 | швидкохідний | тихохідний | ||
| 28 | 5800 | 5300 | 5000 | 1200 | 18000 | 1240 |
| AWT | AWП | A | A1 | B | H | H1 | h | h1 | L | L1 | L2 | L3 | L4 | d | n |
| 450 | 300 | 1120 | 470 | 550 | 765 | 335 | 35 | 130 | 1883 | 1260 | 120 | 625 | 464 | 33 | 10 |
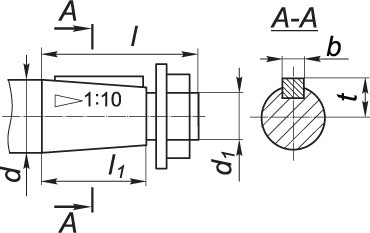
Розміри швидкохідного (конічного) валу редуктора КЦ2-750:

| d | d1 | l | l1 | b | t |
| 50 | М36×3 | 110 | 82 | 12 | 26 |
Розміри тихохідного (циліндричного) валу редуктора КЦ2-750:

| d2 | l2 | b1 | t1 |
| 90 | 170 | 25 | 95 |
Розміри тихохідного валу (зубчастої напівмуфти) редуктора КЦ2-750:

| b | d | d1 | L | l | l1 | Зачеплення | |
| m | z | ||||||
| 35 | 232 | 140 | 382 | 14 | 60 | 4 | 56 |
Редуктор КЦ2-750 має 3 варіанти складання, які показані нижче:

Умовне позначення редуктора типу КЦ2-750:

Зазначимо, що виконання кінця тихохідного валу може бути циліндричним - Ц або у вигляді частини зубчастої муфти - М.
Редуктор КЦ2-750-28
Відгуків про цей товар ще не було.
Немає відгуків про цей товар, станьте першим, залиште свій відгук.
Немає питань про даний товар, станьте першим і задайте своє питання.