Редуктор КЦ2-750-71
Редуктор КЦ2-750-71
Редуктор КЦ2-750-71 – це горизонтальний триступінчастий механізм з циліндричним типом передачі. Такі пристрої встановлюють для перетворення показників моменту, що крутить, і частоти обертання валу в приводах підйомно-транспортного обладнання.
Стабільно працюють як із зупинками, так і безперервно протягом доби. Навантаження може бути будь-яким: пряме, постійне, періодичне або реверсивне. Вали пристрою можуть обертатися в будь-якому напрямку, але швидкість вхідного валу не повинна опускатися нижче 12 м/с.
Головна особливість редуктора – його швидкохідна передача. Завдяки цьому пристрій має невеликі розміри і високий показник ККД. Такі редуктори комфортно почуваються в помірному і вологому тропічному кліматі.
Компанія «Промпривод» понад 10 років постачає редуктори та інші пристрої на ринки України. Наша компанія заробила собі репутацію надійного постачальника якісної продукції. Співпрацюючи з нами, ви отримаєте безліч переваг, таких як:
- Гарантія та ціна від виробника.
- Професійне обслуговування.
- Унікальний паспорт для кожного пристрою.
- Швидка обробка замовлень.
- Доставка по всій Україні.
Габаритні і приєднувальні розміри редуктора КЦ2-750:

Технічні характеристики редуктора КЦ2-750:
| Передавальне число | Момент кручення на виході, Нм в залежності від швидкості обертання валу на вході, об/хв | Навантаження, що діє на валу, Н | Вага пристрою, кг | |||
| 600 | 750 | 1500 | швидкохідний | тихохідний | ||
| 71 | 6980 | 7000 | 2000 | 15500 | 1240 | |
| AWT | AWП | A | A1 | B | H | H1 | h | h1 | L | L1 | L2 | L3 | L4 | d | n |
| 450 | 300 | 1120 | 470 | 550 | 765 | 335 | 35 | 130 | 1883 | 1260 | 120 | 625 | 464 | 33 | 10 |
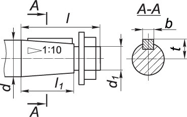
Розміри швидкохідного (конічного) валу редуктора КЦ2-750:

| d | d1 | l | l1 | b | t |
| 50 | М36×3 | 110 | 82 | 12 | 26 |
Розміри тихохідного (циліндричного) валу редуктора КЦ2-750:

| d2 | l2 | b1 | t1 |
| 90 | 170 | 25 | 95 |
Розміри тихохідного валу (зубчастої напівмуфти) редуктора КЦ2-750:

| b | d | d1 | L | l | l1 | Зачеплення | |
| m | z | ||||||
| 35 | 232 | 140 | 382 | 14 | 60 | 4 | 56 |
Редуктор КЦ2-750 має 3 варіанти складання, які показані нижче:

Умовне позначення редуктора типу КЦ2-750:

Зазначимо, що виконання кінця тихохідного вала може бути циліндричним - Ц або у вигляді частини зубчастої муфти - М.
Редуктор КЦ2-750-71
Відгуків про цей товар ще не було.
Немає відгуків про цей товар, станьте першим, залиште свій відгук.
Немає питань про даний товар, станьте першим і задайте своє питання.