Редуктор РГ складання 51
Редуктор глобоїдний ліфтовий РГ складання 51
Редуктор глобоїдний типу РГ використовується для комплектації ліфтових лебідок, але також застосовується в комплекті з іншим промисловим обладнанням. Дані пристрої встановлюють як на вантажний ліфт, так і пасажирський. Використовується разом із електродвигуном із фланцевим виконанням. Характерною особливістю редуктора РГ є його здатність нести значне консольне навантаження на вихідному валу при постійному, не залежить від передавального числа, моменті, що крутить.
Дані редуктори виробляють відповідно до кількох варіантів складання. Ми пропонуємо купити редуктор 51 варіанта складання. Такі пристрої мають перпендикулярні осі. Вхідний та вихідний вал розташований у горизонтальній площині, а кінці валів розраховані під муфти або під зубчасті муфти.
Компанія «Промпривод» пропонує придбати редуктори високої якості за вигідними цінами. Для оптових покупців ми надаємо лояльну систему знижок. Зателефонувавши за телефоном, вказаним на сайті, ви отримаєте вичерпну відповідь на будь-яке запитання щодо придбання та особливостей експлуатації загальнопромислового або вузькоспеціалізованого редуктора. На всі пристрої поширюється гарантія на 12 місяців. Доставка можлива до будь-якого населеного пункту України.
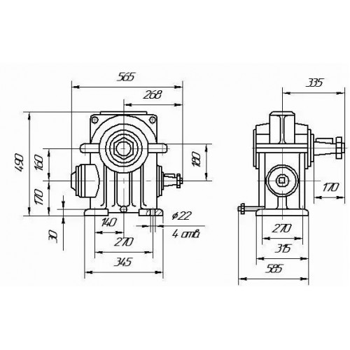
Умовне позначення варіанта складання 51

Конструкція редуктора РГ

Технічні характеристики редукторів РГ
| Тип | iN | n1 | Р1 | Т2 | FRA |
| хв-1 | кВт | Н·м | Н | ||
| РГ-160, РГС-160, РГСЛ-160 | 10 | 1000 | 17,1 | 1500 | 32000 |
| 16 | 10,9 | ||||
| 20 | 8,6 | ||||
| 25 | 7,2 | ||||
| 31,5 | 6,2 | ||||
| 40 | 5,0 | ||||
| 50 | 4,1 | ||||
| 63 | 3,5 |
| Тип | iN | n1 | Р1 | Т2 | FRA |
| хв-1 | кВт | Н·м | Н | ||
| РГ-180 | 28,5 | 1000 | 7,1 | 1300 | 50000 |
| 35 | 9 | 1680 | |||
| 45 | 7 | 2020 | |||
| РГ-225 | 35 | 1000 | 17 | 4500 | 65000 |
| 45 | 15 | ||||
| РГ-240 | 32,5 | 1000 | 14 | 6500 | 65000 |
| 65 | 24 |
Приклад умовного позначення редукторів РГ:
РГ-160-50-51-К-У3:
РГ - тип;
160 - міжосьова відстань, мм;
50 - передавальне число;
51 - схема складання;
К - виконання кінця вихідного валу;
У3 - кліматичне виконання та категорія розміщення за ГОСТ 15150-69.
Редуктор РГ сборки 51
Відгуків про цей товар ще не було.
Немає відгуків про цей товар, станьте першим, залиште свій відгук.
Немає питань про даний товар, станьте першим і задайте своє питання.