Редуктор РГ складання 52
Редуктор глобоїдний ліфтовий РГ складання 52
Глобоїдний редуктор типу РГ відноситься до спеціальної групі ліфтових перетворювачів. Дані пристрої підключаються до електродвигунів за допомогою фланцевих з'єднань. Встановлюють редуктори на ліфтове обладнання як пасажирських, так і вантажних. Призначення даного пристрою полягає у перетворенні параметрів частоти обертання та крутного моменту.
При виборі редуктора важливу роль відіграє варіант складання. 52 варіант складання має один вхідний (швидкохідний) та один вихідний (тихохідний) вал, які розміщуються в горизонтальному положенні. Осі редуктора перетинаються під кутом 90 градусів, а також у горизонтальній площині.
Придбати редуктори ви можете у нас на сайті, залишивши заявку онлайн. Компанія «Промпривод» пропонує широкий асортимент перетворювачів за варіантами складання. Зателефонувавши за телефоном, вказаним на сайті, ви отримаєте розгорнуту відповідь на всі питання щодо підбору, встановлення та експлуатації редукторів та мотор-редукторів. Оправлення здійснюється у вказані раніше терміни по всій території країни. Для постійних клієнтів та оптових покупців діє гнучка система знижок.
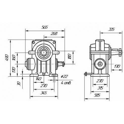
Умовне позначення варіанти складання 52

Конструкція редуктора РГ

Технічні характеристики редукторів РГ
| Тип | iN | n1 | Р1 | Т2 | FRA |
| хв-1 | кВт | Н·м | Н | ||
| РГ-160,РГС-160, РГСЛ-160 | 10 | 1000 | 17,1 | 1500 | 32000 |
| 16 | 10,9 | ||||
| 20 | 8,6 | ||||
| 25 | 7,2 | ||||
| 31,5 | 6,2 | ||||
| 40 | 5,0 | ||||
| 50 | 4,1 | ||||
| 63 | 3,5 |
| Тип | iN | n1 | Р1 | Т2 | FRA |
| хв-1 | кВт | Н·м | Н | ||
| РГ-180 | 28,5 | 1000 | 7,1 | 1300 | 50000 |
| 35 | 9 | 1680 | |||
| 45 | 7 | 2020 | |||
| РГ-225 | 35 | 1000 | 17 | 4500 | 65000 |
| 45 | 15 | ||||
| РГ-240 | 32,5 | 1000 | 14 | 6500 | 65000 |
| 65 | 24 |
Приклад умовного позначення редукторів РГ:
РГ-160-50-52-К-У3:
РГ - тип;
160 - міжосьова відстань, мм;
50 - передавальне число;
52 - схема складання;
К - виконання кінця вихідного валу;
У3 - кліматичне виконання та категорія розміщення за ГОСТ 15150-69.
Редуктор РГ сборки 52
Відгуків про цей товар ще не було.
Немає відгуків про цей товар, станьте першим, залиште свій відгук.
Немає питань про даний товар, станьте першим і задайте своє питання.