Редуктор РГ складання 53
Редуктор глобоїдний ліфтовий РГ складання 53
Редуктор спеціальний ліфтовий РГ має глобоїдний тип передачі та призначений для конвертування показників крутного моменту та частоти обертання. Такі агрегати підключають до електродвигунів за допомогою фланцевих з'єднань. Призначені вони не лише для пасажирських, а й для спеціалізованих (вантажних та лікарняних) ліфтів.
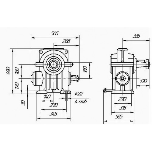
Випускають редуктори відповідно до різного варіанта складання. 53 складання має ряд особливостей, таких як:
- Наявність двох тихохідних валів.
- Кінці пристрою розташовані у горизонтальному положенні.
- Осі перетинаються під прямим кутом, а також у горизонтальній площині.
- Складання з кінцями валів під елементи приводів.
На сайті компанії-виробника «Промпривод» ви знайдете великий вибір редукторів загальнопромислового та вузькоспеціалізованого напряму, а також комплектуючого обладнання. Компанія надає гарантію на 12 місяців, а також до кожного пристрою йде унікальний паспорт. Ми співпрацюємо з найкращими транспортними компаніями країни, тому доставки завжди здійснюються у найкоротші терміни.
Умовне позначення варіанта складання 53

Конструкція редуктора РГ

Технічні характеристики редукторів РГ
| Тип | iN | n1 | Р1 | Т2 | FRA |
| хв-1 | кВт | Н·м | Н | ||
| РГ-160,РГС-160, РГСЛ-160 | 10 | 1000 | 17,1 | 1500 | 32000 |
| 16 | 10,9 | ||||
| 20 | 8,6 | ||||
| 25 | 7,2 | ||||
| 31,5 | 6,2 | ||||
| 40 | 5,0 | ||||
| 50 | 4,1 | ||||
| 63 | 3,5 |
| Тип | iN | n1 | Р1 | Т2 | FRA |
| хв-1 | кВт | Н·м | Н | ||
| РГ-180 | 28,5 | 1000 | 7,1 | 1300 | 50000 |
| 35 | 9 | 1680 | |||
| 45 | 7 | 2020 | |||
| РГ-225 | 35 | 1000 | 17 | 4500 | 65000 |
| 45 | 15 | ||||
| РГ-240 | 32,5 | 1000 | 14 | 6500 | 65000 |
| 65 | 24 |
Приклад умовного позначення редукторів РГ:
РГ-160-50-53-К-У3:
РГ - тип;
160 - міжосьова відстань, мм;
50 - передавальне число;
53 - схема складання;
К - виконання кінця вихідного валу;
У3 - кліматичне виконання та категорія розміщення за ГОСТ 15150-69.
Редуктор РГ сборки 53
Відгуків про цей товар ще не було.
Немає відгуків про цей товар, станьте першим, залиште свій відгук.
Немає питань про даний товар, станьте першим і задайте своє питання.