Редуктор типу РГЛ-150
Редуктор РГЛ-150
Редуктор РГЛ-150 - чавунний електродвигун із фланцевим кріпленням. Необхідний він для комплектації підйомно-транспортного обладнання (ліфтових лебідок, лікарняних, вантажних, пасажирських ліфтів). Монтують обладнання в місцях з помірним кліматом (У), вибухобезпечних і неагресивних умовах за температури від -15° до +40°С.
Експлуатація електродвигуна відбувається тільки зі встановленим під колесом черв'яком за частоти його обертання 1000 об/хв. Під час роботи зі змінними навантаженнями і частотою обертання 1500 об/хв крутний момент необхідно знизити на 20%, постійними навантаженнями (під час періодичних зупинок) на 40%.
Конструкція редуктора РГЛ-150

Технічні характеристики редуктора РГЛ-150
| Тип | iN | n1 | P1 | Т2 | Fra |
| хв-1 | кВт | H*м | Н | ||
| РГЛ-150 | 50 | 1000 | 3.5 | 1500 | 32 000 |
| 59 |
Розміри вхідних та вихідних валів

Розміри вихідних конічних валів
| Типорозмір | d | I | I1 | b | t |
| РГЛ-150 | 45 мм | 80 мм | 60 мм | 14 мм | 20 мм |
Розміри вихідних конічних валів
| Типорозмір | d | I | I1 | b | t |
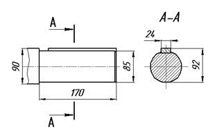
| РГЛ-150 | 90 мм | 170 мм | 140 мм | 22 мм | 46.75 мм |
Вихідний вал циліндричний для редуктора РГЛ-150

Схеми складання редуктора

Компанія «Промпривод» пропонує широкий асортимент редукторів на ринку України. Для замовлення редуктора РГЛ залишайте заявку онлайн або зателефонуйте нашим менеджерам за телефонами, вказаними на сайті. Для постійних клієнтів та оптових покупців діє гнучка система знижок. Складання редуктора можливе за бажанням замовника. Ми надаємо офіційну документацію та гарантію на обладнання – 1 рік з моменту придбання. Здійснюємо швидку та своєчасну доставку.
Редуктор типа РГЛ-150
Відгуків про цей товар ще не було.
Немає відгуків про цей товар, станьте першим, залиште свій відгук.
Немає питань про даний товар, станьте першим і задайте своє питання.