Редуктор РГЛ складання 51
Редуктор глобоїдний спеціальний РГЛ складання 51
Редуктор РГЛ відноситься до спеціальних глобоїдних ліфтових пристроїв із фланцевим кріпленням електродвигуна. Дані агрегати призначені для комплектації ліфтових лебідок як пасажирських, так і лікарняних ліфтів. Незалежно від передавального числа і моменту, що крутить, такі механізми здатні здійснювати високе консольне навантаження валу на виході. Частота обертання черв'ячного валу становить 1500 оборотів на хвилину, при цьому момент, що крутить, зменшується на 20%.
51 варіант складання є одним із найбільш застосовуваних для цього пристрою. Це складання обумовлене наявністю перпендикулярних осей, які розташовані в горизонтальній площині. Редуктор має один швидкохідний та один тихохідний вал. Кінці валів розраховані під муфти або зубчасті муфти.
Компанія «Промпривод» пропонує придбати редуктори високої якості за вигідними цінами. Для оптових покупців ми надаємо лояльну систему знижок. Зателефонувавши за телефоном, вказаним на сайті, ви отримаєте вичерпну відповідь на будь-яке запитання щодо придбання та особливостей експлуатації загальнопромислового або вузькоспеціалізованого редуктора. На всі пристрої поширюється гарантія на 12 місяців. Доставка можлива до будь-якого населеного пункту України.
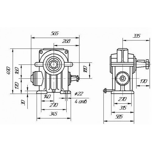
Умовне позначення варіанта складання 51

Конструкція редуктора РГЛ

Технічні характеристики редукторів РГЛ
| Тип | iN | n1 | Р1 | Т2 | FRA |
| хв-1 | кВт | Н·м | Н | ||
| РГЛ-160, РГС-160, РГСЛ-160 | 10 | 1000 | 17,1 | 1500 | 32000 |
| 16 | 10,9 | ||||
| 20 | 8,6 | ||||
| 25 | 7,2 | ||||
| 31,5 | 6,2 | ||||
| 40 | 5,0 | ||||
| 50 | 4,1 | ||||
| 63 | 3,5 |
| Тип | iN | n1 | Р1 | Т2 | FRA |
| хв-1 | кВт | Н·м | Н | ||
| РГЛ-180 | 28,5 | 1000 | 7,1 | 1300 | 50000 |
| 35 | 9 | 1680 | |||
| 45 | 7 | 2020 | |||
| РГЛ-225 | 35 | 1000 | 17 | 4500 | 65000 |
| 45 | 15 | ||||
| РГ-240 | 32,5 | 1000 | 14 | 6500 | 65000 |
| 65 | 24 |
Приклад умовного позначення редукторів РГЛ:
РГЛ-160-50-51-К-У3:
РГЛ – тип;
160 - міжосьова відстань, мм;
50 - передавальне число;
51 - схема складання;
К – виконання кінця вихідного валу;
У3 - кліматичне виконання та категорія розміщення за ГОСТ 15150-69.
Редуктор РГЛ сборки 51
Відгуків про цей товар ще не було.
Немає відгуків про цей товар, станьте першим, залиште свій відгук.
Немає питань про даний товар, станьте першим і задайте своє питання.