Редуктор РГЛ складання 52
Редуктор глобоїдний спеціальний РГЛ складання 52
Редуктори типу РГЛ є глобоїдними пристроями і застосовуються переважно у конструкціях вітчизняних ліфтів. Дані апарати працюють лише за наявності черв'ячного валу під зубчастим винцем. Виробляють агрегати відповідно до різних варіантів виконання.
Одним із найпоширеніших є 52 вариант складання. Пристрої цього складання мають один швидкохідний і один тихохідний вал, кінці яких розташовані в горизонтальній площині. Осі редуктора розміщені перпендикулярно.
Придбати редуктори ви можете у нас на сайті, залишивши заявку онлайн. Компанія «Промпривод» пропонує широкий асортимент перетворювачів за варіантами складання. Зателефонувавши за телефоном, вказаним на сайті, ви отримаєте розгорнуту відповідь на всі питання щодо підбору, встановлення та експлуатації редукторів та мотор-редукторів. Оправлення здійснюється у вказані раніше терміни по всій території країни. Для постійних клієнтів та оптових покупців діє гнучка система знижок.
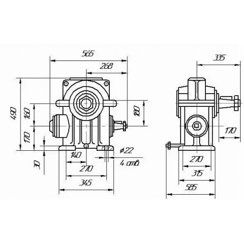
Умовне позначення варіанта складання 52

Конструкція редуктора РГЛ

Технічні характеристики редукторів РГЛ
| Тип | iN | n1 | Р1 | Т2 | FRA |
| хв-1 | кВт | Н·м | Н | ||
| РГЛ-160, РГС-160, РГСЛ-160 | 10 | 1000 | 17,1 | 1500 | 32000 |
| 16 | 10,9 | ||||
| 20 | 8,6 | ||||
| 25 | 7,2 | ||||
| 31,5 | 6,2 | ||||
| 40 | 5,0 | ||||
| 50 | 4,1 | ||||
| 63 | 3,5 |
| Тип | iN | n1 | Р1 | Т2 | FRA |
| хв-1 | кВт | Н·м | Н | ||
| РГЛ-180 | 28,5 | 1000 | 7,1 | 1300 | 50000 |
| 35 | 9 | 1680 | |||
| 45 | 7 | 2020 | |||
| РГЛ-225 | 35 | 1000 | 17 | 4500 | 65000 |
| 45 | 15 | ||||
| РГ-240 | 32,5 | 1000 | 14 | 6500 | 65000 |
| 65 | 24 |
Приклад умовного позначення редукторів РГЛ:
РГЛ-160-50-52-К-У3:
РГЛ - тип;
160 - міжосьова відстань, мм;
50 - передавальне число;
52 - схема складання;
К - виконання кінця вихідного валу;
У3 - кліматичне виконання та категорія розміщення за ГОСТ 15150-69.
Редуктор РГЛ сборки 52
Відгуків про цей товар ще не було.
Немає відгуків про цей товар, станьте першим, залиште свій відгук.
Немає питань про даний товар, станьте першим і задайте своє питання.