Редуктор РГЛ складання 53
Редуктор глобоїдний спеціальний РГЛ складання 53
Редуктор РГЛ призначений для комплектації ліфтового обладнання. Випускають їх відповідно до 53 варіанта складання. Згідно з ГОСТ 20373-94 даний механізм має один вхідний - швидкохідний вал, і два вихідних - тихохідних валів. Осі редуктора розміщуються перпендикулярно горизонтальній площині. Кінці валів розроблені під муфти або зубчасті муфти.
Експлуатують пристрої як у пасажирських, так і у вантажних, спеціалізованих ліфтах. Редуктор має тривалий термін служби та допускається робота в режимі 24 години або із зупинками.
На сайті компанії-виробника «Промпривод» ви знайдете великий вибір редукторів загальнопромислового та вузькоспеціалізованого напряму, а також комплектуючого обладнання. Компанія надає гарантію на 12 місяців, а також до кожного пристрою йде унікальний паспорт. Ми співпрацюємо з найкращими транспортними компаніями країни, тому доставки завжди здійснюються у найкоротші терміни.
Умовне позначення варіанта складання 53

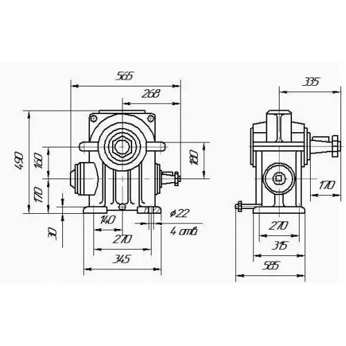
Конструкція редуктора РГЛ

Технічні характеристики редукторів РГЛ
| Тип | iN | n1 | Р1 | Т2 | FRA |
| хв-1 | кВт | Н·м | Н | ||
| РГЛ-160,РГС-160, РГСЛ-160 | 10 | 1000 | 17,1 | 1500 | 32000 |
| 16 | 10,9 | ||||
| 20 | 8,6 | ||||
| 25 | 7,2 | ||||
| 31,5 | 6,2 | ||||
| 40 | 5,0 | ||||
| 50 | 4,1 | ||||
| 63 | 3,5 |
| Тип | iN | n1 | Р1 | Т2 | FRA |
| хв-1 | кВт | Н·м | Н | ||
| РГЛ-180 | 28,5 | 1000 | 7,1 | 1300 | 50000 |
| 35 | 9 | 1680 | |||
| 45 | 7 | 2020 | |||
| РГЛ-225 | 35 | 1000 | 17 | 4500 | 65000 |
| 45 | 15 | ||||
| РГ-240 | 32,5 | 1000 | 14 | 6500 | 65000 |
| 65 | 24 |
Приклад умовного позначення редукторів РГЛ:
РГЛ-160-50-53-К-У3:
РГЛ - тип;
160 - міжосьова відстань, мм;
50 - передавальне число;
53 - схема складання;
К - виконання кінця вихідного валу;
У3 - кліматичне виконання та категорія розміщення за ГОСТ 15150-69.
Редуктор РГЛ сборки 53
Відгуків про цей товар ще не було.
Немає відгуків про цей товар, станьте першим, залиште свій відгук.
Немає питань про даний товар, станьте першим і задайте своє питання.