Редуктор РГС складання 51
Редуктор глобоїдний спеціальний РГС складання 51
Редуктор глобоїдний РГС використовується для комплектації ліфтової лебідки вантажного та пасажирського ліфта. Дані механізми експлуатуються в районах з помірним кліматом, категорії розміщення 1-3 та 5 за ГОСТ 15150-69. Редуктор може використовуватися лише при розташуванні черв'яка під колесом. Навантаження може бути постійним або змінним з періодичними зупинками з одним напрямком обертання черв'яка або реверсивним.
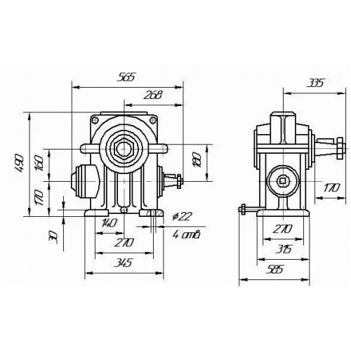
Розглянутий нами 51 варіант складання використовується під час виробництва редуктора. Це складання характерне перпендикулярним розташуванням осей у горизонтальній площині. Тихохідний та швидкохідний вал мають кінці, розроблені під муфту.
Компанія «Промпривод» пропонує придбати редуктори високої якості за вигідними цінами. Для оптових покупців ми надаємо лояльну систему знижок. Зателефонувавши за телефоном, вказаним на сайті, ви отримаєте вичерпну відповідь на будь-яке запитання щодо придбання та особливостей експлуатації загальнопромислового або вузькоспеціалізованого редуктора. На всі пристрої поширюється гарантія на 12 місяців. Доставка можлива до будь-якого населеного пункту України.
Умовне позначення варіанта складання 51

Конструкція редуктора РГС

Технічні характеристики редукторів РГС
| Тип | iN | n1 | Р1 | Т2 | FRA |
| хв-1 | кВт | Н·м | Н | ||
| РГЛ-160, РГС-160, РГСЛ-160 | 10 | 1000 | 17,1 | 1500 | 32000 |
| 16 | 10,9 | ||||
| 20 | 8,6 | ||||
| 25 | 7,2 | ||||
| 31,5 | 6,2 | ||||
| 40 | 5,0 | ||||
| 50 | 4,1 | ||||
| 63 | 3,5 |
| Тип | iN | n1 | Р1 | Т2 | FRA |
| хв-1 | кВт | Н·м | Н | ||
| РГС-180 | 28,5 | 1000 | 7,1 | 1300 | 50000 |
| 35 | 9 | 1680 | |||
| 45 | 7 | 2020 | |||
| РГС-225 | 35 | 1000 | 17 | 4500 | 65000 |
| 45 | 15 |
Приклад умовного позначення редукторів РГС:
РГС-160-50-51-К-У3:
РГС – тип;
160 - міжосьова відстань, мм;
50 - передавальне число;
51 - схема складання;
К - виконання кінця вихідного валу;
У3 - кліматичне виконання та категорія розміщення за ГОСТ 15150-69.
Редуктор РГС сборки 51
Відгуків про цей товар ще не було.
Немає відгуків про цей товар, станьте першим, залиште свій відгук.
Немає питань про даний товар, станьте першим і задайте своє питання.