Редуктор РГС складання 52
Редуктор глобоїдний спеціальний РГС складання 52
Перетворювачі РГС становлять особливу групу ліфтових редукторів. Лебідки з редукторами РГС обладнані електродвигунами тільки виконання М101, оскільки корпус редуктора немає фланця. Основне завдання агрегату полягає у зміні крутного моменту та частоти обертання. Такі механізми встановлюються та експлуатуються лише за умови, що черв'ячний вал буде розташований під колесом.
Осі пристрою мають перпендикулярне розташування, вони перетинаються виключно в горизонтальній площині. Також редуктори мають один тихохідний і один швидкохідний вал. Кінці пристрою розроблені під муфту. Що відповідає 52 варіанту складання відповідно до ГОСТ 20373-94.
Придбати редуктори ви можете у нас на сайті, залишивши заявку онлайн. Компанія «Промпривод» пропонує широкий асортимент перетворювачів за варіантами складання. Зателефонувавши за телефоном, вказаним на сайті, ви отримаєте розгорнуту відповідь на всі питання щодо підбору, встановлення та експлуатації редукторів та мотор-редукторів. Оправлення здійснюється у вказані раніше терміни по всій території країни. Для постійних клієнтів та оптових покупців діє гнучка система знижок.
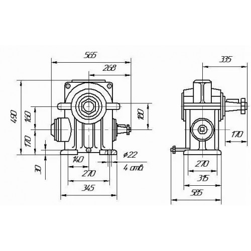
Умовне позначення варіанта складання 52

Конструкція редуктора РГС

Технічні характеристики редукторів РГС
| Тип | iN | n1 | Р1 | Т2 | FRA |
| хв-1 | кВт | Н·м | Н | ||
| РГЛ-160, РГС-160, РГСЛ-160 | 10 | 1000 | 17,1 | 1500 | 32000 |
| 16 | 10,9 | ||||
| 20 | 8,6 | ||||
| 25 | 7,2 | ||||
| 31,5 | 6,2 | ||||
| 40 | 5,0 | ||||
| 50 | 4,1 | ||||
| 63 | 3,5 |
| Тип | iN | n1 | Р1 | Т2 | FRA |
| хв-1 | кВт | Н·м | Н | ||
| РГС-180 | 28,5 | 1000 | 7,1 | 1300 | 50000 |
| 35 | 9 | 1680 | |||
| 45 | 7 | 2020 | |||
| РГС-225 | 35 | 1000 | 17 | 4500 | 65000 |
| 45 | 15 |
Приклад умовного позначення редукторів РГС:
РГС-160-50-52-К-У3:
РГС - тип;
160 - міжосьова відстань, мм;
50 - передавальне число;
52 - схема складання;
К - виконання кінця вихідного валу;
У3 - кліматичне виконання та категорія розміщення за ГОСТ 15150-69.
Редуктор РГС сборки 52
Відгуків про цей товар ще не було.
Немає відгуків про цей товар, станьте першим, залиште свій відгук.
Немає питань про даний товар, станьте першим і задайте своє питання.