Редуктор РГС складання 53
Редуктор глобоїдний спеціальний РГС складання 53
Глобоїдний редуктор РГС входить до спеціальної групи редукторів для ліфтового обладнання. На відміну від інших пристроїв цієї групи, він не має фланця, тому обладнаний електродвигуном з виконанням М101. Призначений редуктор для перетворення показників частоти обертання та моменту, що крутить.
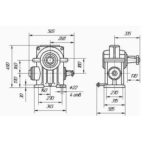
Редуктор має два тихохідні вали розташовані горизонтально. Наявність двох вихідних валів дозволяє підключити до редуктора одразу два пристрої. Кінці валів виконані під муфти або під зубчасті муфти, що відповідає 53 варіанту складання.
На сайті компанії-виробника «Промпривод» ви знайдете великий вибір редукторів загальнопромислового та вузькоспеціалізованого напряму, а також комплектуючого обладнання. Компанія надає гарантію на 12 місяців, а також до кожного пристрою йде унікальний паспорт. Ми співпрацюємо з найкращими транспортними компаніями країни, тому доставки завжди здійснюються у найкоротші терміни.
Умовне позначення варіанта складання 53

Конструкція редуктора РГС

Технічні характеристики редукторів РГС
| Тип | iN | n1 | Р1 | Т2 | FRA |
| хв-1 | кВт | Н·м | Н | ||
| РГЛ-160, РГС-160, РГСЛ-160 | 10 | 1000 | 17,1 | 1500 | 32000 |
| 16 | 10,9 | ||||
| 20 | 8,6 | ||||
| 25 | 7,2 | ||||
| 31,5 | 6,2 | ||||
| 40 | 5,0 | ||||
| 50 | 4,1 | ||||
| 63 | 3,5 |
| Тип | iN | n1 | Р1 | Т2 | FRA |
| хв-1 | кВт | Н·м | Н | ||
| РГС-180 | 28,5 | 1000 | 7,1 | 1300 | 50000 |
| 35 | 9 | 1680 | |||
| 45 | 7 | 2020 | |||
| РГС-225 | 35 | 1000 | 17 | 4500 | 65000 |
| 45 | 15 |
Приклад умовного позначення редукторів РГС:
РГС-160-50-53-К-У3:
РГС - тип;
160 - міжосьова відстань, мм;
50 - передавальне число;
53 - схема складання;
К - виконання кінця вихідного валу;
У3 - кліматичне виконання та категорія розміщення за ГОСТ 15150-69.
Редуктор РГС сборки 53
Відгуків про цей товар ще не було.
Немає відгуків про цей товар, станьте першим, залиште свій відгук.
Немає питань про даний товар, станьте першим і задайте своє питання.