Редуктор РГСЛ складання 52
Редуктор глобоїдний спеціальний РГСЛ складання 52
Редуктор РГСЛ є одноступінчастим глобоїдним спеціальним ліфтовим редуктором із кріпленням на фланець. Встановлюють редуктори в комплекс із ліфтовими лебідками, які у свою чергу використовують у вантажних та пасажирських ліфтах. Завдання обладнання полягає у зміні швидкості обертання при передачі обертального руху від одного валу до іншого.
52 варіант складання має на увазі наявність одного швидкохідного валу і одного - тихохідного. Кінці виготовлені під муфту або під зубчасту муфту. Осі, при такому складанні, перетинаються під прямим кутом у горизонтальній площині.
Придбати редуктори ви можете у нас на сайті, залишивши заявку онлайн. Компанія «Промпривод» пропонує широкий асортимент перетворювачів за варіантами складання. Зателефонувавши за телефоном, вказаним на сайті, ви отримаєте розгорнуту відповідь на всі питання щодо підбору, встановлення та експлуатації редукторів та мотор-редукторів. Відправлення здійснюється в зазначені раніше терміни, по всій території країни. Для постійних клієнтів і оптових покупців діє гнучка система знижок.
Умовне позначення варіанти складання 52

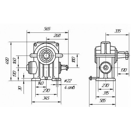
Конструкція редуктора РГСЛ

Технічні характеристики редукторів РГСЛ
| Тип | iN | n1 | Р1 | Т2 | FRA |
| хв-1 | кВт | Н·м | Н | ||
| РГЛ-160,РГС-160, РГСЛ-160 | 10 | 1000 | 17,1 | 1500 | 32000 |
| 16 | 10,9 | ||||
| 20 | 8,6 | ||||
| 25 | 7,2 | ||||
| 31,5 | 6,2 | ||||
| 40 | 5,0 | ||||
| 50 | 4,1 | ||||
| 63 | 3,5 |
| Тип | iN | n1 | Р1 | Т2 | FRA |
| хв-1 | кВт | Н·м | Н | ||
| РГСЛ-180 | 28,5 | 1000 | 7,1 | 1300 | 50000 |
| 35 | 9 | 1680 | |||
| 45 | 7 | 2020 | |||
| РГСЛ-225 | 35 | 1000 | 17 | 4500 | 65000 |
| 45 | 15 |
Приклад умовного позначення редукторів РГС:
РГСЛ-160-50-52-К-У3:
РГСЛ - тип;
160 - міжосьова відстань, мм;
50 - передавальне число;
52 - схема складання;
К - виконання кінця вихідного валу;
У3 - кліматичне виконання та категорія розміщення за ГОСТ 15150-69.
Редуктор РГСЛ сборки 52
Відгуків про цей товар ще не було.
Немає відгуків про цей товар, станьте першим, залиште свій відгук.
Немає питань про даний товар, станьте першим і задайте своє питання.