Редуктор РГСЛ складання 51
Редуктор глобоїдний спеціальний РГСЛ складання 51
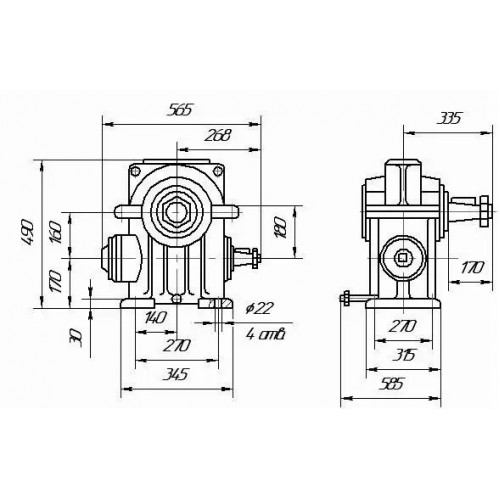
Глобоїдний редуктор РГСЛ виробляють відповідно до 51 варианта складання. Встановлюють ці механізми для комплектації ліфтового обладнання. Агрегати мають глобоїдну передачу. Осі редуктора перетинаються під прямим кутом у горизонтальному положенні. До швидкохідного валу підключають електродвигун за допомогою фланцевих з'єднань. Кінці валів розроблені під муфти або зубчасті муфти.
Експлуатують пристрої при температурі навколишнього середовища від -15 до +40 градусів Цельсія у вибухобезпечному та не агресивному середовищі. Допускається застосування редукторів при частоті обертання черв'ячного валу 1500 об/хв зі зменшеним на 20% моментом, що крутить.
Компанія «Промпривод» пропонує придбати редуктори високої якості за вигідними цінами. Для оптових покупців ми надаємо лояльну систему знижок. Зателефонувавши за телефоном, вказаним на сайті, ви отримаєте вичерпну відповідь на будь-яке запитання щодо придбання та особливостей експлуатації загальнопромислового або вузькоспеціалізованого редуктора. На всі пристрої поширюється гарантія на 12 місяців. Доставка можлива до будь-якого населеного пункту України.
Умовне позначення варіанта складання 51

Конструкція редуктора РГСЛ

Технічні характеристики редукторів РГСЛ
| Тип | iN | n1 | Р1 | Т2 | FRA |
| хв-1 | кВт | Н·м | Н | ||
| РГЛ-160, РГС-160, РГСЛ-160 | 10 | 1000 | 17,1 | 1500 | 32000 |
| 16 | 10,9 | ||||
| 20 | 8,6 | ||||
| 25 | 7,2 | ||||
| 31,5 | 6,2 | ||||
| 40 | 5,0 | ||||
| 50 | 4,1 | ||||
| 63 | 3,5 |
| Тип | iN | n1 | Р1 | Т2 | FRA |
| хв-1 | кВт | Н·м | Н | ||
| РГСЛ-180 | 28,5 | 1000 | 7,1 | 1300 | 50000 |
| 35 | 9 | 1680 | |||
| 45 | 7 | 2020 | |||
| РГСЛ-225 | 35 | 1000 | 17 | 4500 | 65000 |
| 45 | 15 |
Приклад умовного позначення редукторів РГС:
РГСЛ-160-50-51-К-У3:
РГСЛ - тип;
160 - міжосьова відстань, мм;
50 - передавальне число;
51 - схема складання;
К - виконання кінця вихідного валу;
У3 - кліматичне виконання та категорія розміщення за ГОСТ 15150-69.
Редуктор РГСЛ сборки 51
Відгуків про цей товар ще не було.
Немає відгуків про цей товар, станьте першим, залиште свій відгук.
Немає питань про даний товар, станьте першим і задайте своє питання.