Редуктор РГСЛ складання 53
Редуктор глобоїдний спеціальний РГСЛ складання 53
Спеціальний редуктор РГСЛ входить до групи ліфтових редукторів з глобоїдним типом передачі та з кріпленням на фланець. Призначено пристрої для комплектації ліфтового обладнання. Експлуатується у пасажирських, вантажних та лікарняних ліфтах. Принцип роботи редуктора полягає в перетворенні моменту, що крутить, і частоти обертання.
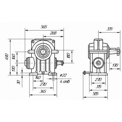
Часто дані складні механізми випускають відповідно до 53 варіанта складання. Даному складанню характерні наявність одного вхідного та двох вихідних валів. Кінці валів перебувають у горизонтальному положенні. Осі пристрою перетинаються під кутом 90 градусів.
На сайті компанії-виробника «Промпривод» ви знайдете великий вибір редукторів загальнопромислового та вузькоспеціалізованого напряму, а також комплектуючого обладнання. Компанія надає гарантію на 12 місяців, а також до кожного пристрою йде унікальний паспорт. Ми співпрацюємо з найкращими транспортними компаніями країни, тому доставки завжди здійснюються у найкоротші терміни.
Умовне позначення варіанта складання 53

Конструкція редуктора РГСЛ

Технічні характеристики редукторів РГСЛ
| Тип | iN | n1 | Р1 | Т2 | FRA |
| хв-1 | кВт | Н·м | Н | ||
| РГЛ-160, РГС-160, РГСЛ-160 | 10 | 1000 | 17,1 | 1500 | 32000 |
| 16 | 10,9 | ||||
| 20 | 8,6 | ||||
| 25 | 7,2 | ||||
| 31,5 | 6,2 | ||||
| 40 | 5,0 | ||||
| 50 | 4,1 | ||||
| 63 | 3,5 |
| Тип | iN | n1 | Р1 | Т2 | FRA |
| хв-1 | кВт | Н·м | Н | ||
| РГСЛ-180 | 28,5 | 1000 | 7,1 | 1300 | 50000 |
| 35 | 9 | 1680 | |||
| 45 | 7 | 2020 | |||
| РГСЛ-225 | 35 | 1000 | 17 | 4500 | 65000 |
| 45 | 15 |
Приклад умовного позначення редукторів РГС:
РГСЛ-160-50-53-К-У3:
РГСЛ – тип;
160 - міжосьова відстань, мм;
50 - передавальне число;
53 - схема складання;
К - виконання кінця вихідного валу;
У3 - кліматичне виконання та категорія розміщення за ГОСТ 15150-69.
Редуктор РГСЛ сборки 53
Відгуків про цей товар ще не було.
Немає відгуків про цей товар, станьте першим, залиште свій відгук.
Немає питань про даний товар, станьте першим і задайте своє питання.