Редуктор РМ-1000-10
Редуктор РМ-1000-10
Двоступінчастий горизонтальний редуктор РМ-1000-10 застосовується у різних галузях машинобудування. Його основним призначенням є зміна моменту, що крутить, і числа оборотів різних приводів. Має тип циліндричний передачі.
Пристрій РМ-1000-10 може працювати у постійному та змінному режимі. Вали можуть обертатися у будь-якому напрямку за різних типів навантажень. Вхідна швидкість не повинна перевищувати 1500 об/хв.
Корпус виконаний із чавуну. Редуктор має захист від потрапляння пилу до механізму. Середовище експлуатації – неагресивне.
Придбати редуктори РМ-1000 Ви можете у нас на сайті компанії «Промпривод», отримавши при цьому:
- високу якість товару,
- ціну від виробника,
- гарантію 12 місяців,
- оригінальний паспорт до виробу,
- доставку найзручнішим для Вас способом,
- мінімальні терміни доставки до всіх регіонів України.
Наші фахівці завжди підкажуть та проконсультують по представленому товару та допоможуть оформити замовлення. Працюючи з нами, Ви заощаджуєте свій час та гроші. Дзвоніть прямо зараз!
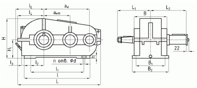
Розміри редуктора РМ-1000-10

Технічні характеристики редуктора РМ-1000-10
| Типорозмір | РМ-1000 | |||
| Номінальне передавальне | 10,0 | |||
| Номінальний крутний момент | Ном. част. обер. швидкохід. валу, с-1(об/хв) | 10 (600) | Особливо легкий | 60978 |
| ПВ 15% | 50266 | |||
| ПВ 25% | 43674 | |||
| ПВ 40% | 37081 | |||
| ПВ 100% | 18623 | |||
| 12,5 (750) | Особливо легкий | 56034 | ||
| ПВ 15% | 46146 | |||
| ПВ 25% | 40213 | |||
| ПВ 40% | 34280 | |||
| ПВ 100% | 17008 | |||
| Маса, кг, не більше | 2122 | |||
| Номінальна частота обертання швидкохідного валу, | Короткочасний допустимий момент, що крутить на тихохідному валу, Т, Н×м |
| 10,0 | |
| РМ-1000 | |
| 10,0 (600) | 12000 |
| 12,5 (750) | 11000 |
| Номінальна частота обертання швидкохідного валу, об/хв | РМ-1000-10 | ||
| FБ max | FТ max | FM max | |
| 600 | 13,0 | 176 | 199,0 |
| 750 | 12,0 | 164 | 184,3 |
| 1000 | 10,5 | 150 | 168,2 |
| 1250 | 10,0 | 134 | 157,0 |
| 1500 | 9,1 | 128 | 154,0 |
Розміри редуктора РМ-1000-10
| aw | awm | L | L1 | L2 | l | l1 | l2 | l3 | l4 | l5 |
| 1000 | 600 | 1896 | 550 | 695,5 | 1350 | 870 | 350 | 250 | 639 | 645 |
| B | B1 | B2 | H | H1 | h | Ød | n отв. |
| 660 | 590 | 660 | 1172 | 965 | 400 | 200 | 40 |
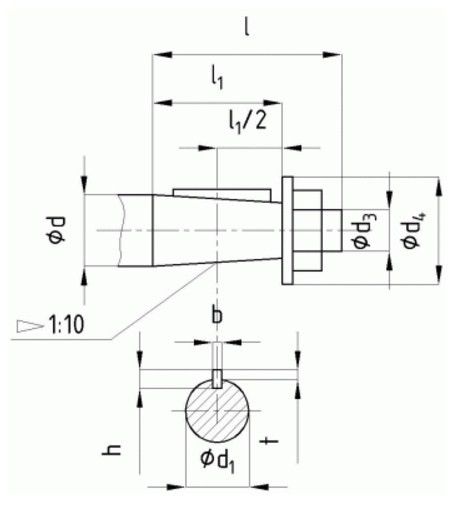
Розміри кінців швидкохідних валів редуктора РМ-1000-10

| Ød | Ød1 | Ød3 | Ød4 | l | l1 | b | h | t |
| 90 | 83,50 | М64×4 | 130 | 170 | 130 | 22 | 14 | 9 |
Розміри кінців тихохідних валів під муфти редуктора РМ-1000-10

| Ød m6 | Ød1 | b | l | t |
| 150 | 170 | 36 | 200 | 162 |
Розміри кінців тихохідних валів у формі зубчастої напівмуфти редуктора РМ-1000-10

| m | z | b | L | L1 | k | B | Ød F7 | Ød1 f9 |
| 10 | 48 | 60 | 70 | 16 | 50 | 85 | 200 | 260 |
| 8 | 54 | 50 | 70 | 22 | 40 | 78 | з | 280 |
Варіанти складання редуктора

Умовне позначення редуктора РМ-1000-10

Редуктор РМ-1000-10
Відгуків про цей товар ще не було.
Немає відгуків про цей товар, станьте першим, залиште свій відгук.
Немає питань про даний товар, станьте першим і задайте своє питання.