Редуктор РМ-1000-20
Редуктор РМ-1000-20
Агрегат РМ-1000 надійний у роботі і простий у застосуванні. Має циліндричний тип передачі та паралельне розташування осей. Застосовується з різними приводами для зміни їх крутного моменту та швидкості обертання.
Горизонтальний редуктор РМ-1000-20 має декілька особливостей у застосуванні, це:
- робота при різних типах навантажень у тривалому режимі або з періодичними зупинками,
- обертання валів проводиться в будь-якому з потрібних напрямків,
- максимально допустима швидкість на вході не повинна бути більшою за 1500 об/хв.,
- можливість експлуатації в сильно запиленому середовищі,
- кліматичні умови можуть бути сухими, помірними та тропічними.
Рекомендують використовувати пристрій РМ-1000-20 у неагресивному середовищі. Корпус виготовлений із чавуну, у вигляді моноблоку.
Придбати редуктор РМ-1000 можна у нас на сайті компанії «Промпривод». До товару додається оригінальний паспорт, з усіма печатками та відмітками ВТК, а також гарантія на 12 місяців.
Доставка здійснюється в будь-який регіон України, у найкоротші терміни. Замовляючи у нас, Ви можете бути впевнені в якості товару. Всі ціни від виробника.
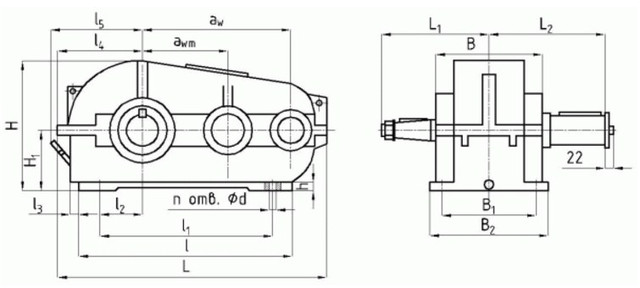
Розміри редуктора РМ-1000-20

Технічні характеристики редуктора РМ-1000-20
| Типорозмір | РМ-1000 | |||
| Номінальне передавальне | 20,0 | |||
| Номінальний крутний момент | Ном. част. обер. швидкохід. валу, с-1(об/хв) | 10 (600) | Особливо легкий | 96249 |
| ПВ 15% | 60360 | |||
| ПВ 25% | 52529 | |||
| ПВ 40% | 44699 | |||
| ПВ 100% | 17292 | |||
| 12,5 (750) | Особливо легкий | 92660 | ||
| ПВ 15% | 58728 | |||
| ПВ 25% | 51159 | |||
| ПВ 40% | 43329 | |||
| ПВ 100% | 17227 | |||
| 16,6 (1000) | Особливо легкий | 83199 | ||
| ПВ 15% | 49919 | |||
| ПВ 25% | 43068 | |||
| ПВ 40% | 36803 | |||
| ПВ 100% | 17423 | |||
| Маса, кг, не більше | 2122 | |||
| Номінальна частота обертання швидкохідного валу, | Короткочасний допустимий момент, що крутить на тихохідному валу, Т, Н×м |
| 20,0 | |
| РМ-1000 | |
| 10,0 (600) | 18700 |
| 12,5 (750) | 18100 |
| 16,6 (1000) | 15900 |
| Номінальна частота обертання швидкохідного валу, об/хв | РМ-1000-20 | ||
| FБ max | FТ max | FM max | |
| 600 | 13,0 | 176 | 199,0 |
| 750 | 12,0 | 164 | 184,3 |
| 1000 | 10,5 | 150 | 168,2 |
| 1250 | 10,0 | 134 | 157,0 |
| 1500 | 9,1 | 128 | 154,0 |
Розміри редуктора РМ-1000-20
| aw | awm | L | L1 | L2 | l | l1 | l2 | l3 | l4 | l5 |
| 1000 | 600 | 1896 | 550 | 695,5 | 1350 | 870 | 350 | 250 | 639 | 645 |
| B | B1 | B2 | H | H1 | h | Ød | n отв. |
| 660 | 590 | 660 | 1172 | 965 | 400 | 200 | 40 |
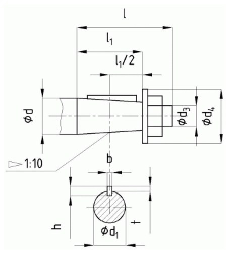
Розміри кінців швидкохідних валів редуктора РМ-1000-20

| Ød | Ød1 | Ød3 | Ød4 | l | l1 | b | h | t |
| 90 | 83,50 | М64×4 | 130 | 170 | 130 | 22 | 14 | 9 |
Розміри кінців тихохідних валів під муфти редуктора РМ-1000-20

| Ød m6 | Ød1 | b | l | t |
| 150 | 170 | 36 | 200 | 162 |
Розміри кінців тихохідних валів у формі зубчастої напівмуфти редуктора РМ-1000-20

| m | z | b | L | L1 | k | B | Ød F7 | Ød1 f9 |
| 10 | 48 | 60 | 70 | 16 | 50 | 85 | 200 | 260 |
| 8 | 54 | 50 | 70 | 22 | 40 | 78 | з | 280 |
Варіанти складання редуктора

Умовне позначення редуктора РМ-1000-20

Редуктор РМ-1000-20
Відгуків про цей товар ще не було.
Немає відгуків про цей товар, станьте першим, залиште свій відгук.
Немає питань про даний товар, станьте першим і задайте своє питання.