Редуктор РМ-1000-20-22
Циліндричний редуктор РМ-1000-20 варіанта складання 22
Вибираючи перетворюючий пристрій необхідно звертати увагу не тільки на його експлуатаційні та технологічні характеристики, а також його варіант складання. Одним із найбільш затребуваних перетворювачів сучасності є циліндричний редуктор РМ-1000-20-22.
Дані пристрої мають високий рівень ККД, можуть працювати в різних режимах навантаження, мають високу кінематичну точність передачі, а також не нагріваються під час роботи. 22 варіант складання має на увазі наявність двох паралельних валів, виходи яких знаходяться на одній зі сторін редуктора. Таке складання дозволяє максимально компактно розмістити редуктор.
Варіант складання редуктора

Умови застосування
| Опис | Характеристика |
| Тип навантаження | Постійний, змінний, одного напряму, ревервивний |
| Режими роботи | Тривалий або зі змінними зупинками |
| Обертання валів | У будь-який бік |
| Максимально допустима частота обертання вхідного вала | 1500 об/хв |
| Температура зовнішнього середовища | Від -40 до +50 градусів Цельсія |
| Кліматичне виконання, категорія розміщення | У і Т, категорія розміщення I-IV відповідно до ГОСТ 15150-69 |
| Робота в умовах підвищеної запиленості | Допускається |
Компанія «Промпривод» надає можливість придбати редуктори РМ, ціна яких нижча за ринкову, створених відповідно до варіантів складання, які зазначені у вітчизняному стандарті ГОСТ 20373-94. Редуктори виготовляються на сучасному устаткуванні із задіянням передових технологій. Ми завжди надсилаємо замовлення в обумовлені терміни, надаємо гарантію на всі товари та докладну консультацію щодо наших виробів.
У комплекті з пристроями ви отримуєте повний пакет документів, що сертифікують, що підтверджують якість виробу. Доставка можлива по всій території України.
Технічні характеристики редуктора РМ-1000-20
| Передавальне число, u | Фактичне передавальне число, u1 | ККД, % | Маса редуктора, кг | AwЗ | AwT | AwБ | Об'єм олії, що заливається, л |
| 20 | 20.49 | 98 | 2122 | 1000 | 600 | 400 | 55 |
| Частота обертання вхідного валу, об/хв | Допустимий момент, що крутить, на вихідному валу при роботі редуктора в повторно-короткочасних режимах, Н*м для передавальних чисел | Допустиме радіальне консольне навантаження, прикладене в середині посадкової частини, Н | ||
| 20.0 | Вхідний (швидкохідний) вал | Вихідний (тихохідний) | Вихідний (тихохідний) вал у вигляді зубчастої напівмуфти | |
| 600 | 180400 | 13000 | 176000 | 199000 |
| 750 | 178000 | 12000 | 164000 | 184300 |
| 1000 | 157000 | 10500 | 150000 | 168200 |
| 1250 | - | 10000 | 134000 | 157000 |
| 1500 | - | 9100 | 128000 | 154000 |
Габаритні та приєднувальні розміри редуктора РМ-1000

| L | L1 | L2 | L3 | L4 | L5 | B | B1 | B2 | B3 | H | H1 | H2 | H3 | d | n |
| 1896 | 1350 | 1050 | 350 | 695.5 | 550 | 660 | 660 | 590 | 472 | 965 | 400 | 200 | 40 | 32 | 8 |
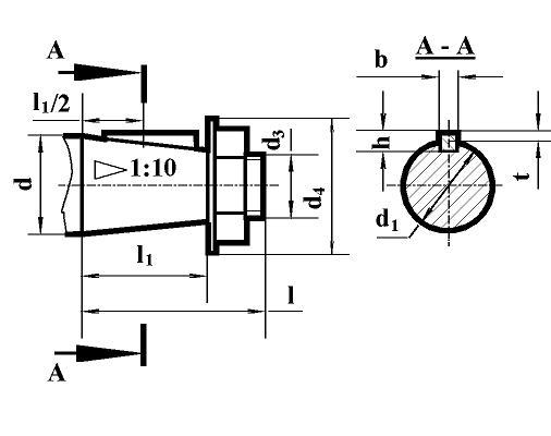
Розміри конічних кінців вхідних і вихідних валів редуктора РМ

| Редуктор | Вал | d1 | d2 | d3 | d4 | l | l1 | b | h | t |
| РМ-1000 | вхідний | 90 | 83.50 | М64х4 | 130 | 170 | 130 | 22 | 14 | 5 |
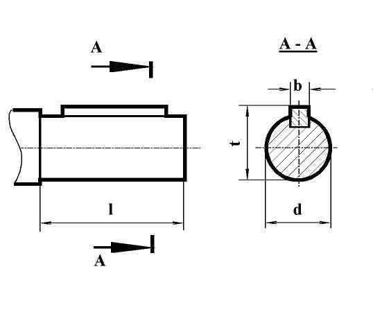
Розміри циліндричних кінців вхідних і вихідних валів редуктора РМ

| Редуктор | Вал | d2 | d1 | l | l1 | b | h | t |
| РМ-1000 | вихідний | 150 m 6 | 170 | 695.5 | 200 | 36 | 162 | - |
Приєднувальні розміри тихохідного валу у вигляді зубчастої напівмуфти редуктора РМ

| Редуктор | Вал | m | z | b | L | L1 | k | B | d | d1 |
| РМ-1000 | вихідний | 10 8 | 48 54 | 60 50 | 70 | 76 72 | 50 40 | 85 78 | 200 f 7 190 f 7 | 280 f 9 260 f 9 |
Умовні позначення редуктора РМ-1000

Редуктор РМ-1000-20-22
Відгуків про цей товар ще не було.
Немає відгуків про цей товар, станьте першим, залиште свій відгук.
Немає питань про даний товар, станьте першим і задайте своє питання.