Редуктор РМ-1000-31.5-21
Циліндричний редуктор РМ-1000-31.5 варіанта складання 21
Дуже часто в різних галузях промисловості та виробництва необхідне використання оптимізованих значень кутової швидкості обертання та крутного моменту. З таким завданням чудово справляється циліндричний редуктор РМ-1000-31.5-21.
Перетворювач оснащений двома ступенями та має горизонтальне виконання. Під час монтажу його встановлюють строго основою донизу. Для фіксування використовують болтове з'єднання.
Варіант складання редуктора

Умови застосування
| Опис | Характеристика |
| Тип навантаження | Постійний, змінний, одного напряму, ревервивний |
| Режими роботи | Тривалий або зі змінними зупинками |
| Обертання валів | У будь-який бік |
| Максимально допустима частота обертання вхідного вала | 1500 об/хв |
| Температура зовнішнього середовища | Від -40 до +50 градусів Цельсія |
| Кліматичне виконання, категорія розміщення | У і Т, категорія розміщення I-IV відповідно до ГОСТ 15150-69 |
| Робота в умовах підвищеної запиленості | Допускається |
Компанія «Промпривод» надає можливість придбати редуктори РМ, ціна яких нижча за ринкову, створених відповідно до варіантів складання, які зазначені у вітчизняному стандарті ГОСТ 20373-94. Редуктори виготовляються на сучасному устаткуванні із задіянням передових технологій. Ми завжди надсилаємо замовлення в обумовлені терміни, надаємо гарантію на всі товари та детальну консультацію щодо наших виробів.
У комплекті з пристроями ви отримуєте повний пакет документів, що сертифікують, що підтверджують якість виробу. Доставка можлива по всій території України.
Технічні характеристики редуктора РМ-1000-31.5
| Передавальне число, u | Фактичне передавальне число, u1 | ККД, % | Маса редуктора, кг | AwЗ | AwT | AwБ | Об'єм олії, що заливається, л |
| 31.5 | 31.50 | 98 | 2122 | 1000 | 600 | 400 | 55 |
| Частота обертання вхідного валу, об/хв | Допустимий момент, що крутить, на вихідному валу при роботі редуктора в повторно-короткочасних режимах, Н*м для передавальних чисел | Допустиме радіальне консольне навантаження, прикладене в середині посадкової частини, Н | ||
| 31.5 | Вхідний (швидкохідний) вал | Вихідний (тихохідний) | Вихідний (тихохідний) вал у вигляді зубчастої напівмуфти | |
| 600 | 192000 | 13000 | 176000 | 199000 |
| 750 | 187000 | 12000 | 164000 | 184300 |
| 1000 | 178500 | 10500 | 150000 | 168200 |
| 1250 | 174500 | 10000 | 134000 | 157000 |
| 1500 | 165000 | 9100 | 128000 | 154000 |
Габаритні та приєднувальні розміри редуктора РМ-1000

| L | L1 | L2 | L3 | L4 | L5 | B | B1 | B2 | B3 | H | H1 | H2 | H3 | d | n |
| 1896 | 1350 | 1050 | 350 | 695.5 | 550 | 660 | 660 | 590 | 472 | 965 | 400 | 200 | 40 | 32 | 8 |
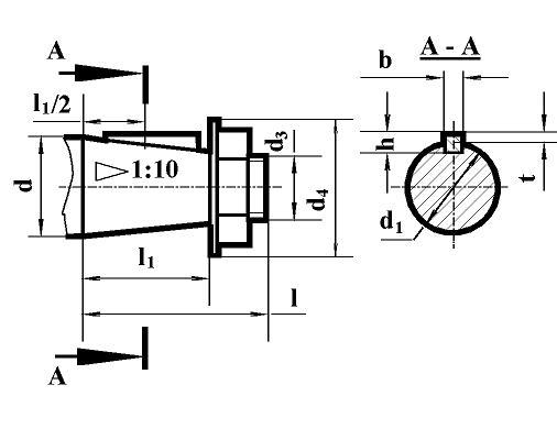
Розміри конічних кінців вхідних і вихідних валів редуктора РМ

| Редуктор | Вал | d1 | d2 | d3 | d4 | l | l1 | b | h | t |
| РМ-1000 | вхідний | 90 | 83.50 | М64х4 | 130 | 170 | 130 | 22 | 14 | 5 |
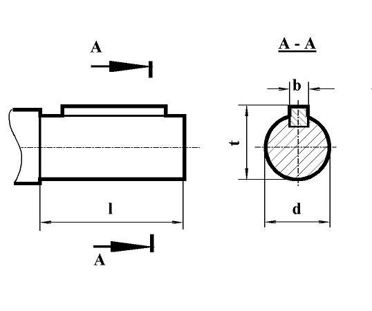
Розміри циліндричних кінців вхідних і вихідних валів редуктора РМ

| Редуктор | Вал | d2 | d1 | l | l1 | b | h | t |
| РМ-1000 | вихідний | 150 m 6 | 170 | 695.5 | 200 | 36 | 162 | - |
Приєднувальні розміри тихохідного валу у вигляді зубчастої напівмуфти редуктора РМ

| Редуктор | Вал | m | z | b | L | L1 | k | B | d | d1 |
| РМ-1000 | вихідний | 10 8 | 48 54 | 60 50 | 70 | 76 72 | 50 40 | 85 78 | 200 f 7 190 f 7 | 280 f 9 260 f 9 |
Умовні позначення редуктора РМ-1000

Відгуків про цей товар ще не було.
Немає відгуків про цей товар, станьте першим, залиште свій відгук.
Немає питань про даний товар, станьте першим і задайте своє питання.