Редуктор РМ-1000-31.5
Редуктор РМ-1000-31.5
Горизонтальний редуктор РМ-1000-31.5 – це незамінний пристрій для зміни швидкості обертання та крутного моменту приводів, що використовуються у машинобудівних галузях. Дуже надійний та простий у використанні. Має циліндричний тип передачі з паралельним розташуванням осей.
Двоступінчастий редуктор РМ-1000-31.5 має умови для його застосування:
- температура експлуатації від -40 до +50 градусів Цельсія,
- навколишнє середовище згідно з кліматичним виконанням У і Т (ГОСТ 15150),
- швидкість на вхідний вал не більше 1500 оборотів за хвилину,
- неагресивне середовище.
Також у редуктора є низка переваг:
- можливість працювати тривалий час при різних типах навантажень,
- обертання валів проводиться в будь-якому напрямку,
- робота у сильно запилених умовах.
Придбати редуктор РМ-1000 можна у нас на сайті компанії «Промпривод». До товару додається оригінальний паспорт, з усіма печатками та відмітками ВТК, а також гарантія на 12 місяців.
Доставка здійснюється в будь-який регіон України, у найкоротші терміни. Замовляючи у нас, Ви можете бути впевнені в якості товару. Всі ціни від виробника.
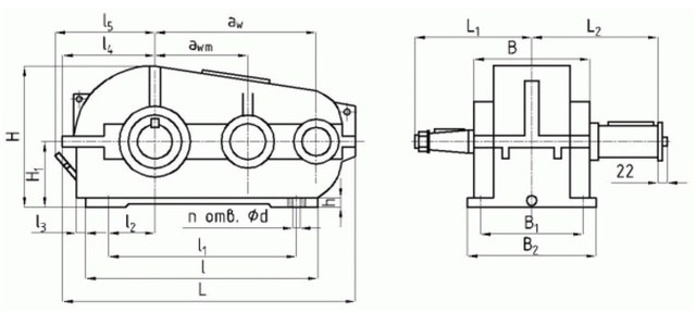
Розміри редуктора РМ-1000-31.5

Технічні характеристики редуктора РМ-1000-31.5
| Типорозмір | РМ-1000 | |||
| Номінальне передавальне | 31.5 | |||
| Номінальний крутний момент | Ном. част. обер. швидкохід. валу, с-1(об/хв) | 10 (600) | Особливо легкий | 100317 |
| ПВ 15% | 60692 | |||
| ПВ 25% | 53168 | |||
| ПВ 40% | 44641 | |||
| ПВ 100% | 17555 | |||
| 12,5 (750) | Особливо легкий | 100317 | ||
| ПВ 15% | 57783 | |||
| ПВ 25% | 49757 | |||
| ПВ 40% | 42133 | |||
| ПВ 100% | 17455 | |||
| 16,6 (1000) | Особливо легкий | 94800 | ||
| ПВ 15% | 51162 | |||
| ПВ 25% | 44541 | |||
| ПВ 40% | 37920 | |||
| ПВ 100% | 17455 | |||
| 20,83 (1250) | Особливо легкий | 92693 | ||
| ПВ 15% | 45745 | |||
| ПВ 25% | 39485 | |||
| ПВ 40% | 33466 | |||
| ПВ 100% | 17335 | |||
| 25 (1500) | Особливо легкий | 89282 | ||
| ПВ 15% | 40528 | |||
| ПВ 25% | 35312 | |||
| ПВ 40% | 29894 | |||
| ПВ 100% | 17455 | |||
| Маса, кг, не більше | 2122 | |||
| Номінальна частота обертання швидкохідного валу, | Короткочасний допустимий момент, що крутить на тихохідному валу, Т, Н×м |
| 31.5 | |
| РМ-1000 | |
| 10,0 (600) | 196000 |
| 12,5 (750) | 191000 |
| 16,6 (1000) | 182000 |
| 20,8 (1250) | 178000 |
| 25,0 (1500) | 16800 |
| Номінальна частота обертання швидкохідного валу, об/хв | РМ-1000-31.5 | ||
| FБ max | FТ max | FM max | |
| 600 | 13,0 | 176 | 199,0 |
| 750 | 12,0 | 164 | 184,3 |
| 1000 | 10,5 | 150 | 168,2 |
| 1250 | 10,0 | 134 | 157,0 |
| 1500 | 9,1 | 128 | 154,0 |
Розміри редуктора РМ-1000-31.5
| aw | awm | L | L1 | L2 | l | l1 | l2 | l3 | l4 | l5 |
| 1000 | 600 | 1896 | 550 | 695,5 | 1350 | 870 | 350 | 250 | 639 | 645 |
| B | B1 | B2 | H | H1 | h | Ød | n отв. |
| 660 | 590 | 660 | 1172 | 965 | 400 | 200 | 40 |
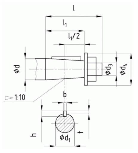
Розміри кінців швидкохідних валів редуктора РМ-1000-31.5

| Ød | Ød1 | Ød3 | Ød4 | l | l1 | b | h | t |
| 90 | 83,50 | М64×4 | 130 | 170 | 130 | 22 | 14 | 9 |
Розміри кінців тихохідних валів під муфти редуктора РМ-1000-31.5

| Ød m6 | Ød1 | b | l | t |
| 150 | 170 | 36 | 200 | 162 |
Розміри кінців тихохідних валів у формі зубчастої напівмуфти редуктора РМ-1000-31.5

| m | z | b | L | L1 | k | B | Ød F7 | Ød1 f9 |
| 10 | 48 | 60 | 70 | 16 | 50 | 85 | 200 | 260 |
| 8 | 54 | 50 | 70 | 22 | 40 | 78 | з | 280 |
Варіанти складання редуктора

Умовне позначення редуктора РМ-1000-31.5

Редуктор РМ-1000-31.5
Відгуків про цей товар ще не було.
Немає відгуків про цей товар, станьте першим, залиште свій відгук.
Немає питань про даний товар, станьте першим і задайте своє питання.